Search
Directory
Brands
Thermolec manuals
Water boiler
Standard Boiler
Manual
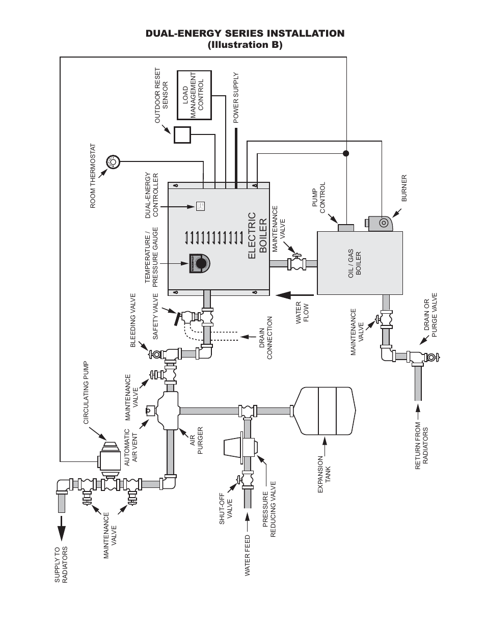
Electric boiler, Dual-energy series installation (illustration b) – Thermolec Standard Boiler User Manual
Page 19
Text mode
Original mode
Electric boiler, Dual-energy series installation (illustration b) | Thermolec Standard Boiler User Manual | Page 19 / 21
Pages:
1
…
16
17
18
19
20
21
wrong Brand
wrong Model
non readable
See also other documents in the category Thermolec Water boiler:
Mini Boiler
(21 pages)