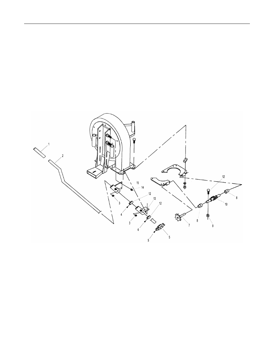
Debris blower manual rotation components, Handle grip, Rotation handle (rad 663509) – Walker IMPLEMENT HITCH SB6670 User Manual
Page 89: Grease fitting, 32 x 1/8 allen set screw, 1/4-20 x 3/16 allen set screw, I415, Drive sprocket, I403, Driven sprocket
This manual is related to the following products:
