Search
Directory
Brands
Tanaka manuals
Fans
TBL-7600/R
Manual
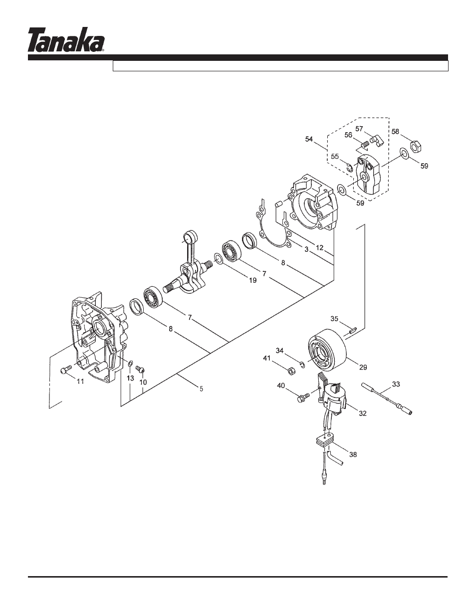
Crankcase, flywheel & ignition, Tbl-7600, Parts information – Tanaka TBL-7600/R User Manual
Page 4
Text mode
Original mode
Crankcase, flywheel & ignition, Tbl-7600, Parts information | Tanaka TBL-7600/R User Manual | Page 4 / 14
Pages:
1
2
3
4
5
6
…
14
wrong Brand
wrong Model
non readable
See also other documents in the category Tanaka Fans:
TBL-505
(16 pages)
TBL-455/500
(15 pages)
TBL-4600
(14 pages)
TBL-7800/R
(11 pages)