Tyco American Dynamics VideoEdge IP Box Camera 8200-2646-00 B0 User Manual
Page 13

Installation and Operation Guide
13
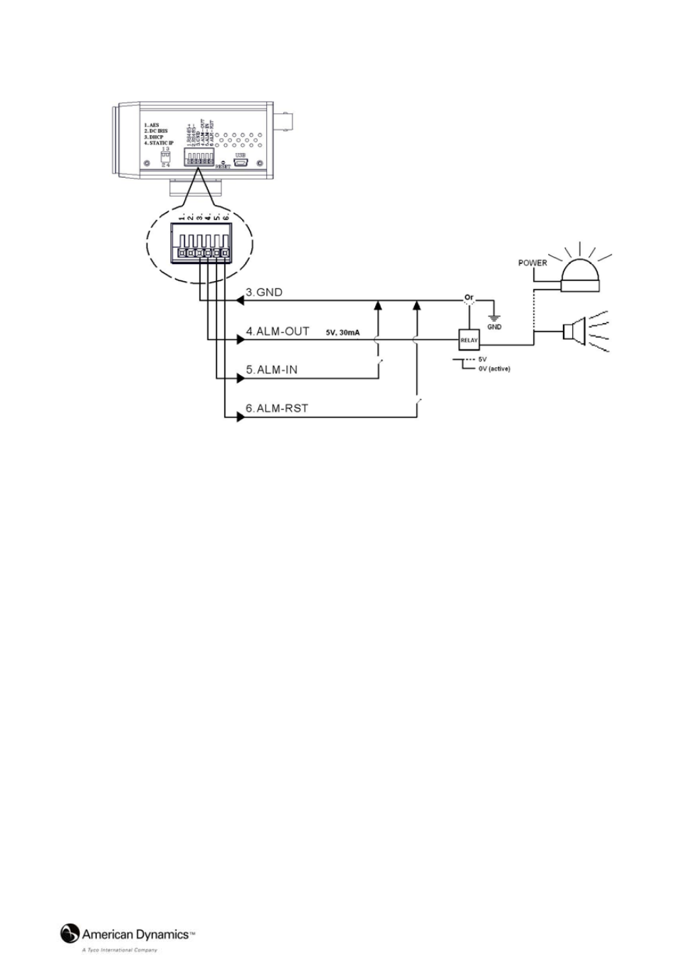
Alarm wiring diagram:
4. RESET:
Recover to factory default.
5.
5pin MINI USB Port: The user can use a USB device cable to connect the IP camera to
the USB port on the PC.
6. ALC
VR:
Iris control VR.
When an auto iris (DC Drive) lens is used, this VR is used to adjust the iris for different
lighting environments. Adjust the VR clock-wise to open the iris and counter-clockwise
to close the iris of the camera.
7. IRIS: Auto iris connector.
This camera works with a DC drive auto iris lens. Please refer to the pin assignment
marked on the camera when connecting the auto iris lens.
