Lx2206 e, Valuation, Oard – PowerDsine LX2206 User Manual
Page 5: Uide, Microsemi, Page 5, Lock, Iagram

LX2206 E
VALUATION
B
OARD
U
SER
G
UIDE
Microsemi
Integrated Products
11861 Western Avenue, Garden Grove, CA. 92841, 714-898-8121, Fax: 714-893-2570
Page 5
Copyright
© 2002
Rev. 1.1, 2006-11-17
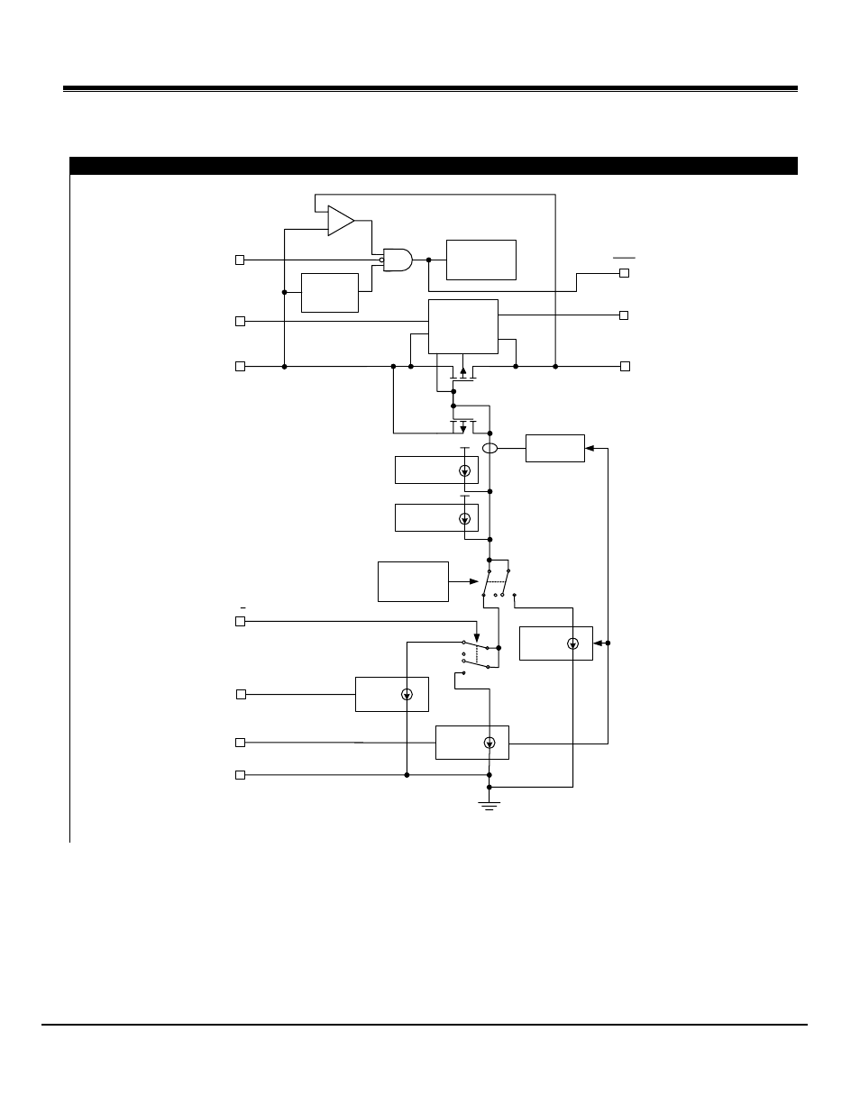
B
LOCK
D
IAGRAM
IN
BAT
CHARGE
CONTROL
GND
HIGH
CHARGING
CURRENT
HCP
TEMPERATURE
CONTROL
CONSTANT
VOLTAGE
CONTROL
CHARGE
TERMINATION
CONTROL
ENABLE
SD
UVLO
+
-
STAT
LOW
CHARGING
CURRENT
LCP
H/L
DCOK
TMP
COND.
CURRENT
CONDITIONING
THRESHOLD
Figure 2 – Simplified Block Diagram
