Schéma de connexion, Connexions – Pioneer DEH-22UB User Manual
Page 32

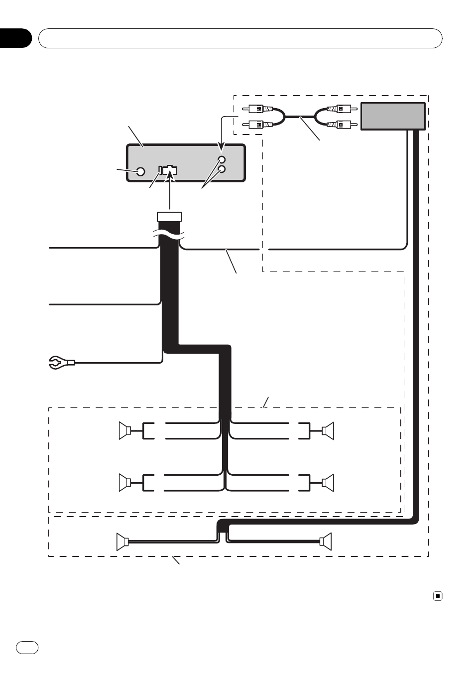
Schéma de connexion
Connectez avec des câbles
RCA (vendus séparément)
Sortie arrière
Ce produit
Jack d’antenne
Fusible (10 A)
Bleu/blanc
Connectez à la broche de commande du système
de l’amplificateur de puissance ou à la broche de
commande du relais de l’antenne automatique
(max. 300 mA 12 V CC).
Jaune
Connectez à la borne
d’alimentation 12 V
permanente.
Rouge
Connectez à la borne contrôlée
par le contact d’allumage
(12 V CC).
Noir (masse du châssis)
Connectez sur un endroit métallique
propre, non recouvert de peinture.
Amplificateur de
puissance (vendu
séparément)
Télécommande du système
Gauche
Droite
Réalisez ces connexions lors de l’utilisation
d’un amplificateur optionnel.
Haut-parleur
arrière
Haut-parleur
arrière
Blanc/noir
Violet/noir
Violet
Avec un système à 2 haut-parleurs, ne
connectez rien aux fils des haut-parleurs qui
ne sont pas connectés à des haut-parleurs.
Haut-parleur
avant
Haut-parleur
avant
Blanc
Gris/noir
Gris
Vert/noir
Vert
Haut-parleur
arrière
Haut-parleur
arrière
Connexions
Fr
32
Section
02
- DEH-P6000UB (120 pages)
- DEH-P6000UB (8 pages)
- DEH-2050MP (76 pages)
- PDR-W839 (52 pages)
- PDR-W839 (2 pages)
- DEH-73BT (64 pages)
- LASERDISC/COMPACT DISC PLAYERS CLD-V2600 (144 pages)
- XV-DV88 (84 pages)
- FH-P6200 (44 pages)
- PDR-W739 (44 pages)
- MJ-L77 (100 pages)
- MJ-L77 (36 pages)
- DEH-P4850MP (145 pages)
- Multi Player CDJ-350 (28 pages)
- DRM-1004XR21 (2 pages)
- MULTI-CD CONTROL DSP HIGH POWER CD/MD PLAYER WITH FM/AM TUNER FH-P8900MD (60 pages)
- BARCODE CLD-V2600 (4 pages)
- Premier DEH-P490IB (118 pages)
- DRM-1004X40 (1 page)
- PDR-509 (40 pages)
- DEH-1950 (56 pages)
- Elite G-Clef PD-D6MK2-K (2 pages)
- DEH-P8600MP (179 pages)
- DEH-P8600MP (8 pages)
- CDJ-1000MK2 (20 pages)
- PD-M450 (20 pages)
- DEH-P55BT (162 pages)
- DEH-P55BT (86 pages)
- DEH-9 (39 pages)
- DEH-P3630MP (96 pages)
- DEH-P3600 (124 pages)
- DEX-P90RS (64 pages)
- SUPERTUNERD DEH-P5200HD (88 pages)
- DEH-P6800MP (7 pages)
- DEH-P6800MP (123 pages)
- file-type compact disc player PD-F407 (30 pages)
- FM/AM DEH-1800 (37 pages)
- DEH-P4600MP (140 pages)
- XV-DV8 (84 pages)
- DEH-240F (56 pages)
- Elite PD-D9MK2-K (2 pages)
- CMX-5000 (104 pages)
- CMX-5000 (20 pages)
- DRM-6324X (1 page)
- DEH-3400 (56 pages)