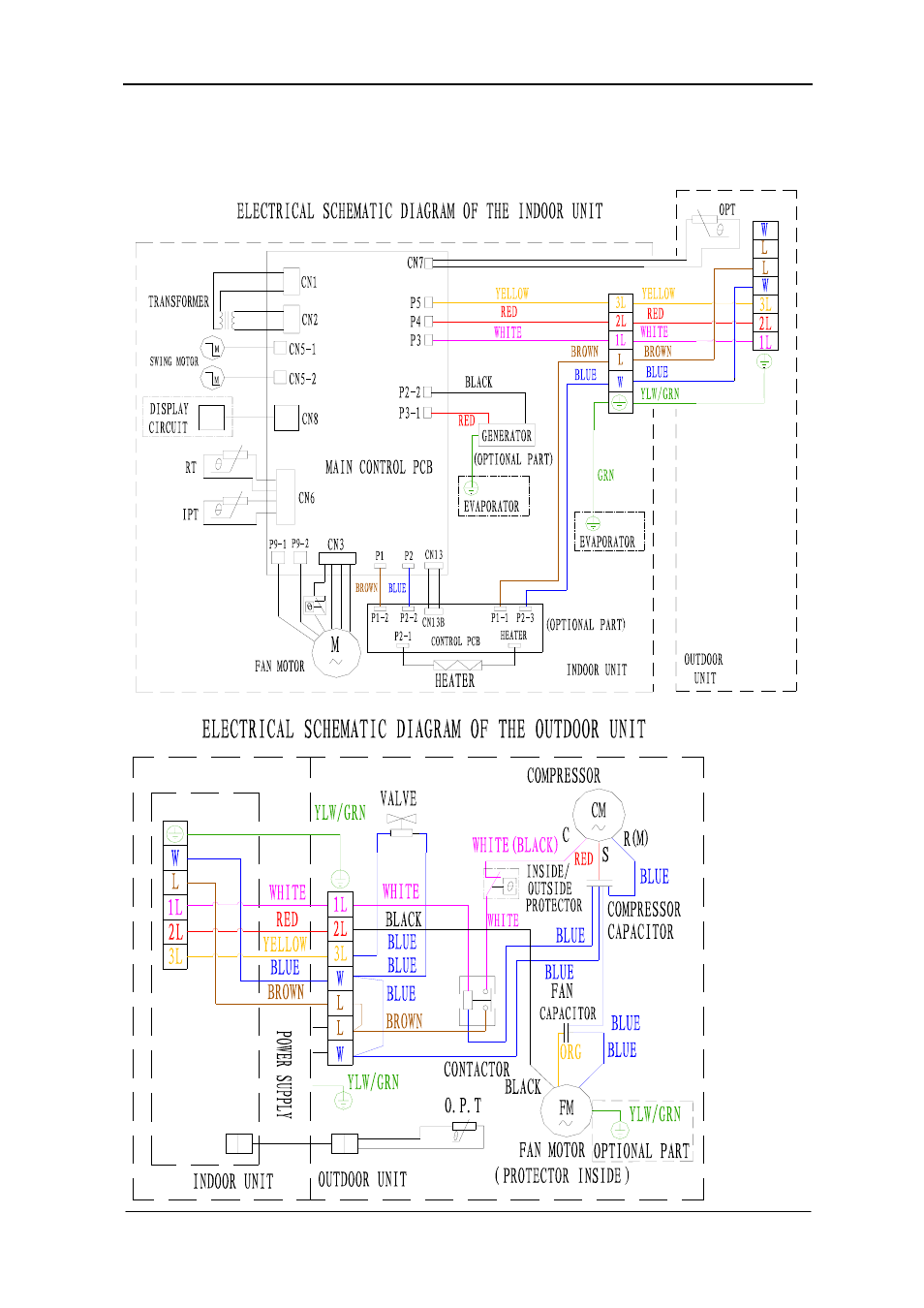
Electrical schematic diagram – Soleus Air KFTHP-24 User Manual
Page 14
                    See also other documents in the category Soleus Air Conditioners:                                                            
                    - MAC 7500 (16 pages)
- KY-34 (17 pages)
- Electronic Window Air Conditioner GB-WAC-08ESE-C (20 pages)
- Electroni Window Air Conditioner GM-WAC-12ESE-C (20 pages)
- KFHHP-12-ID (26 pages)
- SG-PAC-08E3 (16 pages)
- Electric Window Air Conditioner GM-WAC-08ESE-C (20 pages)
- SG-TTW-09ESE-26 (16 pages)
- SG-WAC-12HCE (20 pages)
- Electronic Casement Window Air Conditioner GM-CAC-12SE (23 pages)
- KFTHP-18-OD (26 pages)
- SOLEUSAIR Powered by GREE Electronic Windows A/C SG-WAC 15ESE-C (21 pages)
- Portable Air Conditioner GH-PAC-12E1HP WITH HEAT (16 pages)
- KC-15U (14 pages)
- PH3-10R (16 pages)
- Powered by Gree Electronic Window A/C GM-WAC-18ESE-C (24 pages)
- KFHHP-18-OD (26 pages)
- PA1-14R-32 (18 pages)
- SG-PAC-12E1HP (16 pages)
- SG-PAC-08E4 (15 pages)
- air-condition (13 pages)
- KY-320 (20 pages)
- PH3-09R-03 (16 pages)
- SOLEUSAIR SG-PAC-10E5 (15 pages)
- SOLEUSAIR SG-TTW-12HC-26 (17 pages)
- PH4-10R-01 (16 pages)
- 000 BTU Portable Air Conditioner SG-PAC-10E5 (15 pages)
- 000 BUT Portable Air Conditioner GM-PAC-10E2 (18 pages)
- 000 BTU Portable Air Conditioner GH-PAC-10E5 (15 pages)
- MAC-10K (15 pages)
- KFHIP-09-OD (26 pages)
- PE2-09R-32 (16 pages)
- PH3-12R-03 (16 pages)
- MA-9000AH (19 pages)
- 000 BTU Portable Air Conditioner GM-PAC-12E1 (16 pages)
- Portable Air Conditioner with Heat Pump PH5(S) SERIES (16 pages)
- Portable Air Conditioner GM-PAC-08E3 (16 pages)
- 000 BTU Portable Air Conditioner GL-PAC-08E4 (16 pages)
- 14 (14 pages)
- SoleusAir Electronic Window Air Conditioner GM-WAC-25ESE-C (24 pages)
- MAC-12K (15 pages)
- PE2-10R-32 (16 pages)
- KFR/KFS Series (32 pages)
- PE4-11R-03 (16 pages)

