Directory
Brands
Star Micronics manuals
Printers
SP320S
Manual

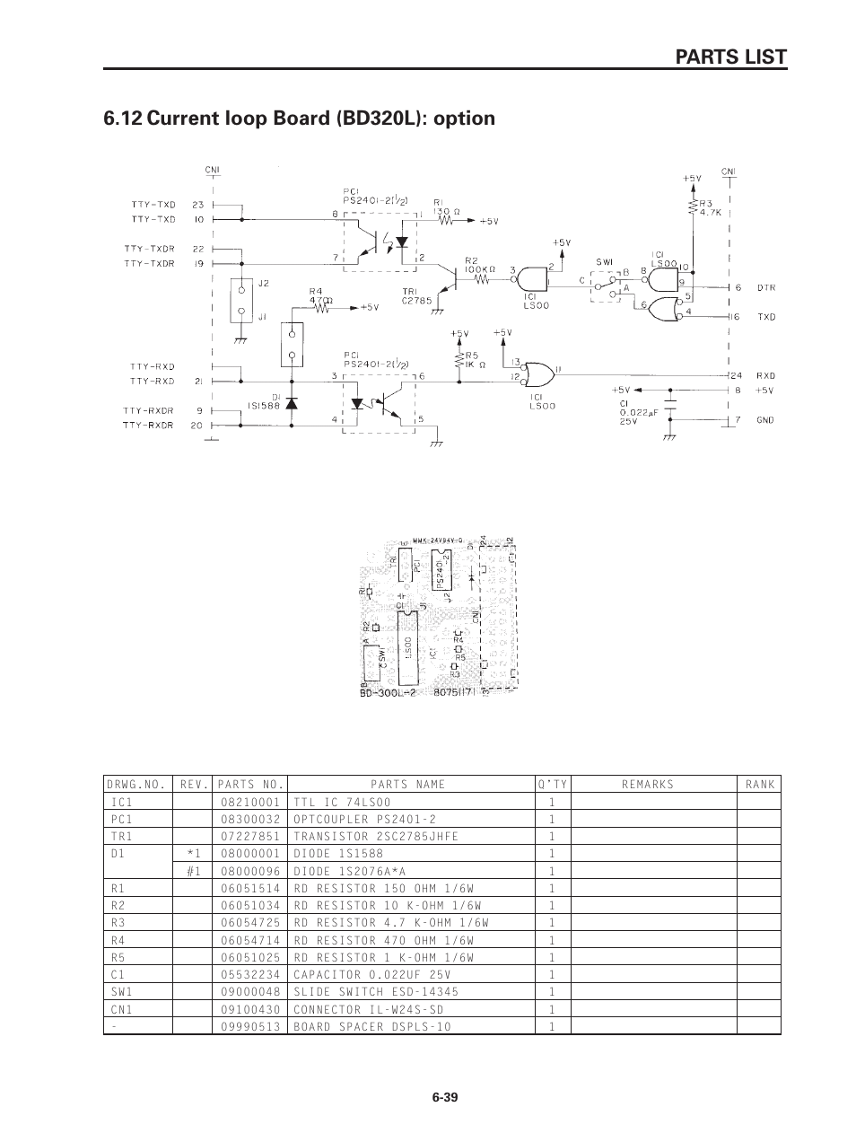
12 current loop board (bd320l): option, 1 circuit diagram, 2 component layout – Star Micronics SP320S User Manual

Page 92: 3 parts list, Parts list

  • Text mode
  • Original mode
12 current loop board (bd320l): option, 1 circuit diagram, 2 component layout | 3 parts list, Parts list | Star Micronics SP320S User Manual | Page 92 / 94 12 current loop board (bd320l): option, 1 circuit diagram, 2 component layout | 3 parts list, Parts list | Star Micronics SP320S User Manual | Page 92 / 94
Pages: 1 … 89 90 91 92 93 94
  • wrong Brand
  • wrong Model
  • non readable
See also other documents in the category Star Micronics Printers:
  • LC-90 (131 pages)
  • LC-240C (82 pages)
  • MP500 Series (2 pages)
  • Star SP317 (63 pages)
  • SP200F (111 pages)
  • NL-10 (35 pages)
  • MP115MP-24G-A (42 pages)
  • LC-6211 (60 pages)
  • 800C (76 pages)
  • SLIP SP298 (79 pages)
  • LC-1021 (91 pages)
  • SP200F SERIES (90 pages)
  • SP200F SERIES (114 pages)
  • 150 (151 pages)
  • LC-1011C (88 pages)
  • RS232 (80 pages)
  • FUTUREPRINT TSP100 (32 pages)
  • SP700 Series (2 pages)
  • DP8340RC (40 pages)
  • SP342F-A (62 pages)
  • PR921-24-A (31 pages)
  • SP312F (36 pages)
  • SP300 Series (70 pages)
  • SP317 (63 pages)
  • SP2000 Series (147 pages)
  • LC-8021 (86 pages)
  • NP-325 (45 pages)
  • DP8340 (59 pages)
  • PW2000-24 (4 pages)
  • HL 80825321 (176 pages)
  • Line Thermal Printer (181 pages)
  • PUNKT-MATRIX-DRUCKER LC-7211 (182 pages)
  • Automatic Sheet Feeder SF-15HA (42 pages)
  • Star futurePRNT TSP100GT (2 pages)
  • Star SP200 Series (127 pages)
  • PT-10Q (36 pages)
  • SP298 Series (144 pages)
  • LC-8521 (116 pages)
  • RSR 28 (5 pages)
  • Dot Impact Printer (104 pages)
  • LC-4521 (191 pages)
  • PT-10Y (32 pages)
  • Line Thermal/Dot Printer (209 pages)
  • ATAR LC-500 (72 pages)
Home Brands Popular manuals Recently added
Manuals Directory

© 2012–2025, azmanual.top
All rights reserved.