Search
Directory
Brands
Maretron manuals
GPS receiver
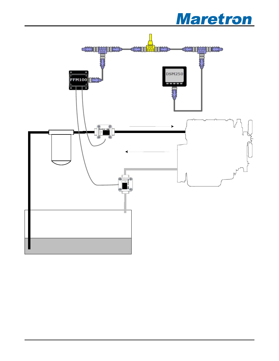
LLP FFM100
Manual
4 temperature compensation, Temperature compensation – Maretron LLP FFM100 User Manual
Page 9
Text mode
Original mode
4 temperature compensation, Temperature compensation | Maretron LLP FFM100 User Manual | Page 9 / 28
Pages:
1
…
7
8
9
10
11
…
28
wrong Brand
wrong Model
non readable
See also other documents in the category Maretron GPS receiver:
BHW100
(2 pages)
GPS200
(23 pages)
GPS100
(25 pages)