Search
Directory
Brands
Multiquip manuals
Accessories for electrical
Light Tower Mount Type Balloon Light GB2000
Manual
Multiquip Light Tower Mount Type Balloon Light GB2000 User Manual
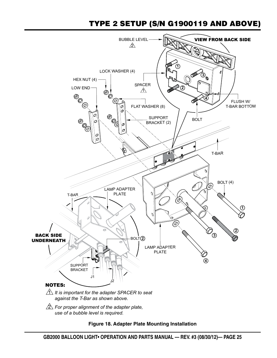
Page 25
Text mode
Original mode
Multiquip Light Tower Mount Type Balloon Light GB2000 User Manual | Page 25 / 52
Pages:
1
…
23
24
25
26
27
…
52
wrong Brand
wrong Model
non readable