Search
Directory
Brands
Maytag manuals
Water boiler
HRE21250PC
Manual
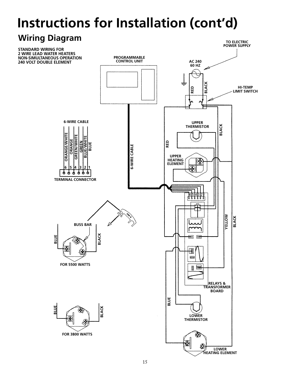
Instructions for installation (cont’d), Wiring diagram – Maytag HRE21250PC User Manual
Page 15
Text mode
Original mode
Instructions for installation (cont’d), Wiring diagram | Maytag HRE21250PC User Manual | Page 15 / 40
Pages:
1
…
13
14
15
16
17
…
40
wrong Brand
wrong Model
non readable
This manual is related to the following products:
HRE21282PC
See also other documents in the category Maytag Water boiler:
ELECTRIC WATER HEATER HR640DJRS
(36 pages)
HRX52DERS
(32 pages)
HRN11250X
(32 pages)
HRN31275P
(48 pages)
HV640YBVITCGA
(32 pages)
SERIES NINE HE3940L
(36 pages)
HRN5975S
(32 pages)
HVP41250PCGA
(32 pages)
HRE2940T
(36 pages)
HRX40YQRT
(32 pages)
HRE11250T
(28 pages)
HE31250T
(32 pages)
HE21282PC
(40 pages)
Natural Gas Water Heaters
(10 pages)
C3
(32 pages)