Directory
Brands
Multiquip manuals
Power saws
Whiteman Concrete Saw FS2
Manual

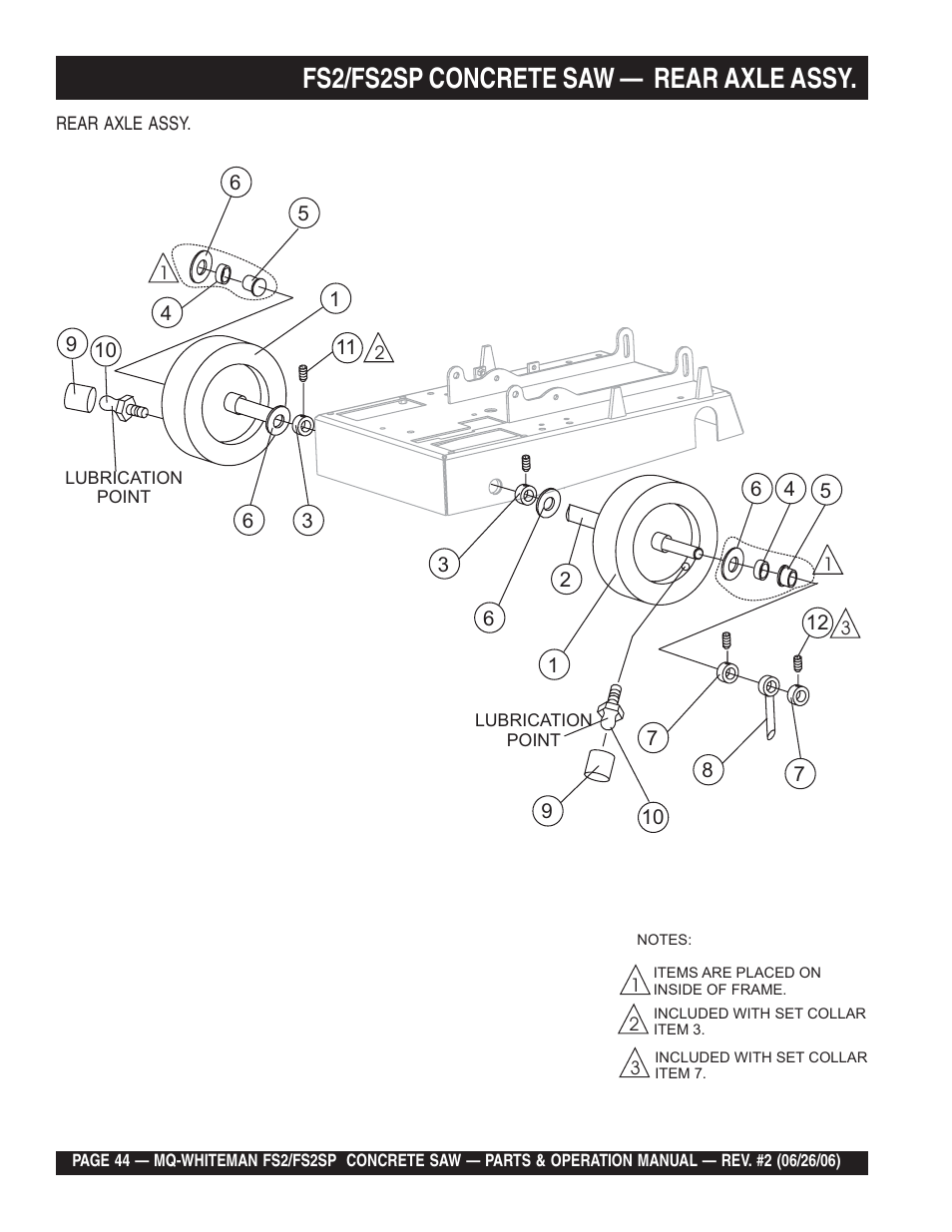
Fs2/fs2sp concrete saw — rear axle assy – Multiquip Whiteman Concrete Saw FS2 User Manual

Page 44

  • Text mode
  • Original mode
Fs2/fs2sp concrete saw — rear axle assy | Multiquip Whiteman Concrete Saw FS2 User Manual | Page 44 / 78 Fs2/fs2sp concrete saw — rear axle assy | Multiquip Whiteman Concrete Saw FS2 User Manual | Page 44 / 78
Pages: 1 … 42 43 44 45 46 … 78
  • wrong Brand
  • wrong Model
  • non readable
This manual is related to the following products:
  • Whiteman Concrete Saw FS2SP FS2SP FS2
See also other documents in the category Multiquip Power saws:
  • Diamond Back SP3 Street Pro Professional Slab Saw 35 HP Wisconsin Diesel Engine SP303526 (123 pages)
  • tile saw tp24 (54 pages)
  • Cutter 1 Concrete/Asphalt Saw CD613H18 (Honda GX390 Gasoline Engine) (76 pages)
  • StreetPro Professional Pavement Saw SP118 (38 pages)
  • SideWinder Cut-Off Saw HS81 (68 pages)
  • CONCRETE SAW FS2 (58 pages)
  • Concrete Saw SP-6457 TD (69 pages)
  • Stow SideWinder Cut-Off Saw SHS81A (68 pages)
  • Whiteman Concrete Saw FS3SP (78 pages)
Home Brands Popular manuals Recently added
Manuals Directory

© 2012–2025, azmanual.top
All rights reserved.