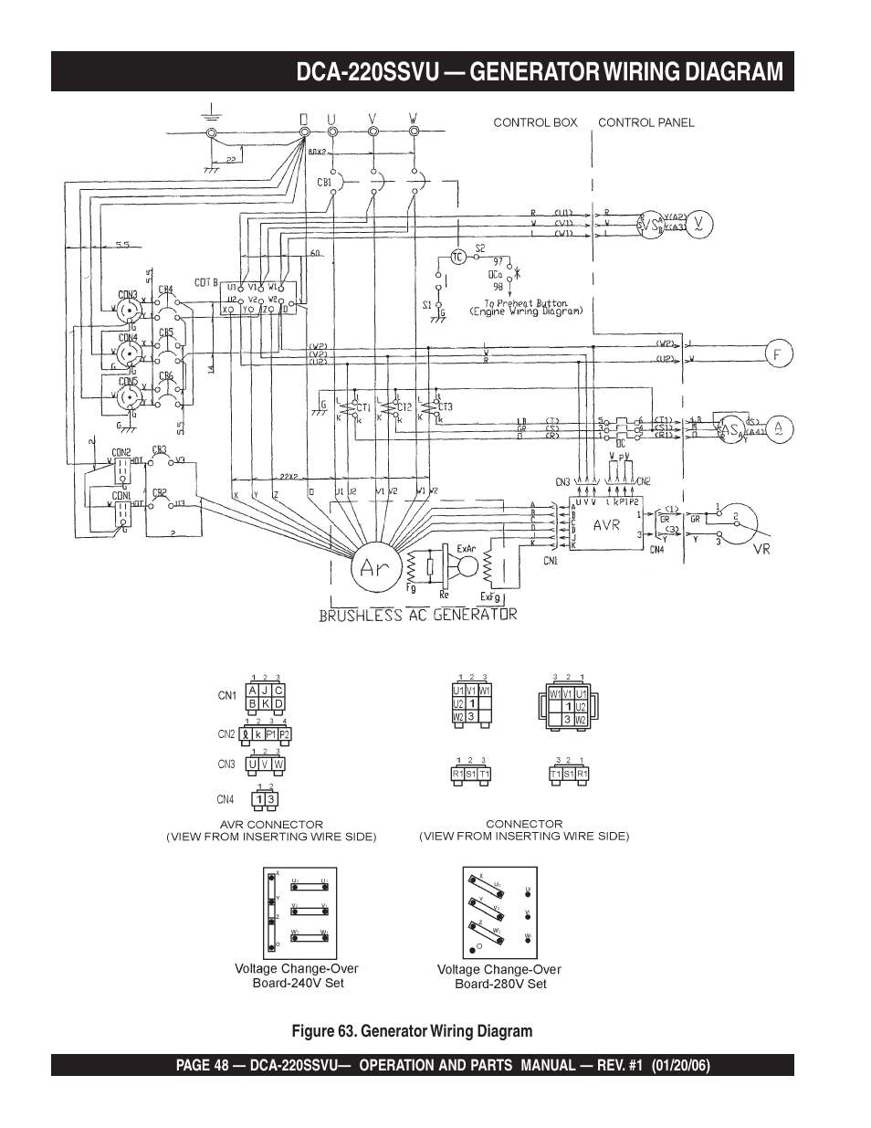
Dca-220ssvu — generator wiring diagram – Multiquip MQ Power Whisperwatt 60 Hz Generator DCA-220SSVU User Manual
Page 48
This manual is related to the following products:
See also other documents in the category Multiquip Generators:
- TLG12SPX4 (72 pages)
- Generator DCA400 (6 pages)
- DCA10SPXU4 (76 pages)
- GA-6HZR (70 pages)
- GA-9.7HZ (70 pages)
- GA-4.5R (68 pages)
- WhisperWatt(TM) 400 DCA400SSI (4 pages)
- Generators and Welders GAW135H (8 pages)
- DCA45SSKU_KU3 (78 pages)
- GA-6RE (76 pages)
- DCA800SSK (120 pages)
- DCA25USIXF (98 pages)
- SG1400C3 (62 pages)
- DCA25USI (80 pages)
- DA7000WGH (172 pages)
- GAС-2.2H (74 pages)
- DCA36SPX (84 pages)
- MQ Power 1500 kW Containerized Diesel Generator Set EGC1500C (4 pages)
- DCA220SSCU_SSCU4i (90 pages)
- DCA300SSC_SSCU (104 pages)
- DCA125USI (90 pages)
- DCA125USJ (84 pages)
- MQ Power Series Generator DCA45SSI (4 pages)
- GAC-6HZ (84 pages)
- DCA20SPX (84 pages)
- DCA85USJ (90 pages)
- Diesel Generator MQP240 (4 pages)
- DCA60SSI2 (164 pages)
- DCA220SSVU (86 pages)
- DCA150SSJU3 (104 pages)
- DCA70USI2 (84 pages)
- DCA85USJ2 (102 pages)
- KD1800_KD6 (134 pages)
- DCA125SSJU (96 pages)
- DCA25SSI (140 pages)
- DCA220SSJ_SSJU (108 pages)
- WhisperWattTM Generator DCA180SSJ (4 pages)
- GA-2.9R (62 pages)
- MQ Power WhisperWatt 150 Generator DCA150SSI (4 pages)
- DCA180SSJU (106 pages)
- GA-6H (84 pages)
- 60Hz Whisperwatt Generator DCA45USI2 (82 pages)
- 500kW Containerized Diesel Generator Set EGC-500C (4 pages)
- GDP5000H (76 pages)
- MQ Power 500 kW Containerized Diesel Generator Set EGC500DD (4 pages)