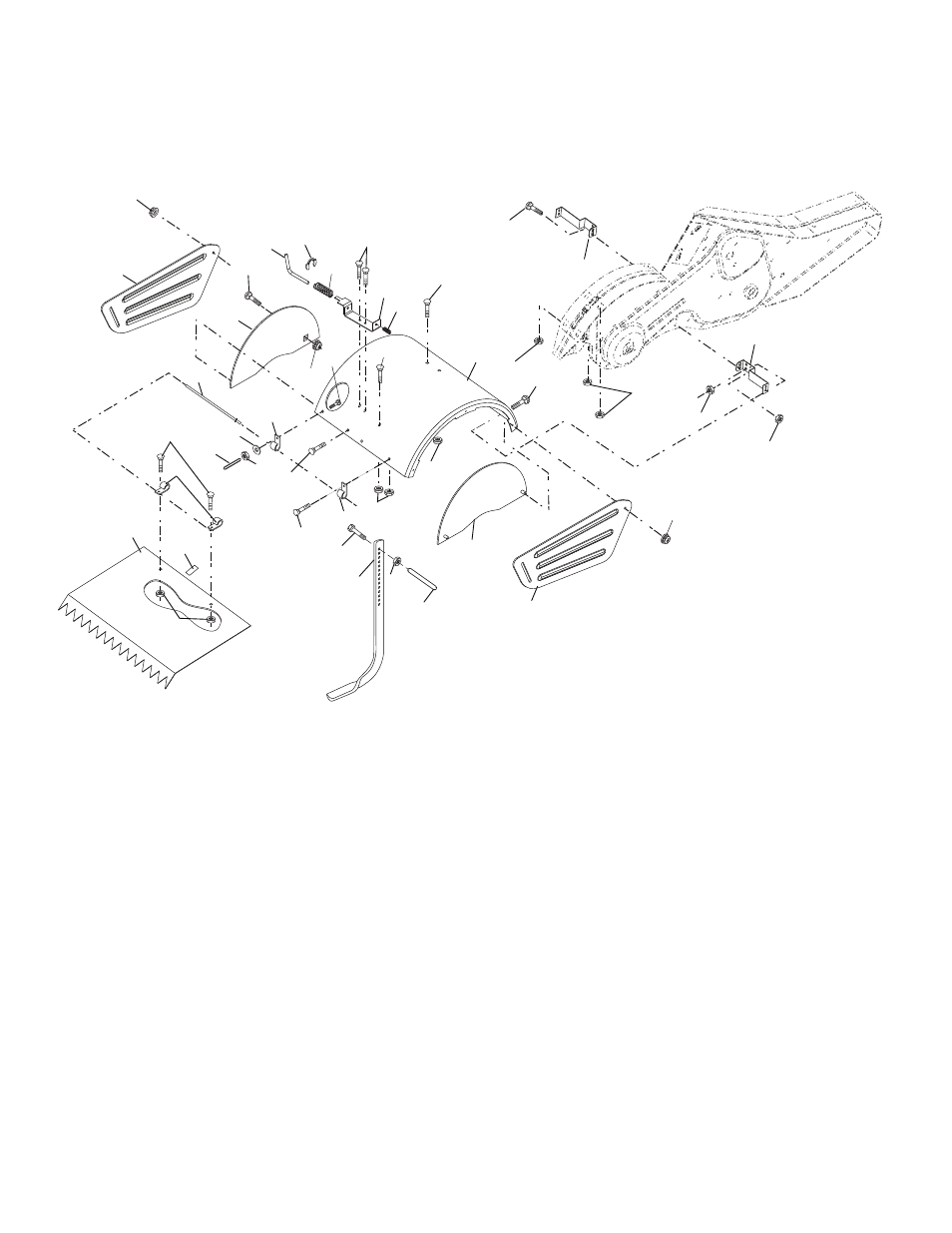
Tine sheild, Repair parts – Husqvarna 650RTT User Manual
Page 24

24
23
532 00 44-40 Hinge
24
872 14 04-04 Bolt, Carriage 1/4-20 x 1/2 Gr. 5
25
532 12 47-17 Cap, Vinyl
26
532 10 92-27 Pad, Idler
27
532 12 50-16 Shield, Leveling
28
532 12 05-88 Pin, Hinge
29
532 40 39-60 Shield, Side
30
873 97 05-00 Nut Lock Hex Flange
32
873 22 04-00 Nut Fin Hex 1/4-20 unc
33
810 04 04-00 Washer Lock Hvy Helical 1/4
35
872 11 05-05 Bolt, 5/16-18 x 5/8
37
873 80 05-00 Nut lock, 5/16-18 unc
38
873 51 05-00 Nut, Keps Hex 5/16-18 unc
KEY PART
NO. NO.
DESCRIPTION
KEY PART
NO. NO.
DESCRIPTION
1
873 90 05-00 Nut, Lock Hex Flange 5/16-18
2
532 16 29-52 Shield, Side, Outer L. H.
3
532 00 83-93 Pin, Stake, Depth
4
812 00 00-35 Ring, Klip
5
532 18 08-47 Bolt, Rdhd Sqnk 5/16-18 x 3/4
6
532 00 83-94 Spring
7
532 00 83-92 Bracket, Latch
8
532 10 92-30 Spring, Depth Stake
9
532 14 22-92 Shield, Tine
13
872 11 05-10 Bolt, Carriage 5/16-18 x 1-1/4
14
532 12 43-11 Bracket, Shield Tine
15
532 16 29-53 Shield, Side, Outer R.H.
16
873 90 04-00 Nut, Hex Flange 1/4-20 unc
18
872 04 04-10 Bolt, Carriage 1/4-20 x 1-1/4 Gr.
19
532 10 27--01Grip
20
873 22 06-00 Nut, Hex 3/8-16
21
532 10 21-56 Stake, Depth
22
874 93 06-32 Bolt, Hex 3/8-16 x 2
NOTE: All component dimensions given in U.S. inches.
1 inch = 25.4 mm
REPAIR PARTS
TILLER - - MODEL NUMBER 650RTT (96093000203), PRODUCT NUMBER 960 93 00-02
TINE SHIELD
TINE?SHIELD??IN?R
