Haltech Platinum Sport 1000 User Manual
Page 15

Crank and Cam Position Sensors (Trigger and Home)
The Crank and Cam Position sensors are required so that the ECU has the necessary
information available to it to determine engine speed and position at any point in time.
Generally 2 sensors are required - a cam position and crank position.
However many cars will have just a cam position sensor that is capable of giving the ECU
enough information to run the engine correctly. Vehicles that have a crank position
sensor only are not capable of determining the difference between compression
stroke and exhaust stroke and therefore are not suitable for sequential fire
applications. In this case a cam position sensor may need to be added for the ECU
to determine if the engine is on compression or exhaust stroke.
There are generally 2 types of trigger signal:
●
Hall effect signal (0-5v digital square wave signal)
Generally a hall effect sensor will require a power supply (could be 5V, 8V or
12V), a ground and have a signal wire. Most hall effect sensors have 3 wires.
●
Reluctor signal (analogue style signal).
This type of Sensor will generally only have two wires, Signal Positive (+)
and Signal Negative ( - )
Figure 6 – Hall Effect Sensor Wiring
*
*Please Note: Red and Blue wires *
must be insulated to avoid shorting
Figure 7 – Reluctor Sensor Wiring
ECU Manager / ECU Manuals
Detailed manuals can be found in the software by pressing your F1 key or by
selecting the Help tab located at the top left of the screen.
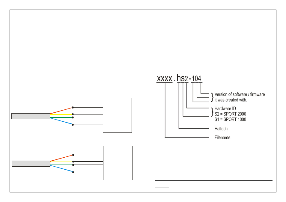
ECU Manager File Extensions
When ECU manager saves the map from the Haltech ECU, it saves the map with
a Haltech specific file extension.
The File extension can be broken down as follows:
Example File : xxxx.hs2-104
Later map versions cannot be loaded into ECU's with earlier firmware versions.
ECU Manager will upgrade earlier map versions when loading into ECU's with later
firmware versions.
ECU Manager upgrades maps between versions where equivalent settings are
available. However, new settings not in the original map, will be substituted with
values from the new version's default map.
Whenever ECU Manager converts your ECU map, you should always check your
map settings to ensure that all the appropriate settings have been converted
correctly.
HALL EFFECT SENSOR
+12V
SIGNAL (+)
GROUND
NOT CONNECTED
4 CORE TRIGGER OR HOM E
CABLE FROM ECU
RELUCTOR SENSOR
SIGNAL (+)
NOT CONNECTED
4 CORE TRIGGER OR HOM E
CABLE FROM ECU
SIGNAL (-)
NOT CONNECTED
