Español с, С conexión del sistema – Kenwood DNN991HD User Manual
Page 57

Español
с
57
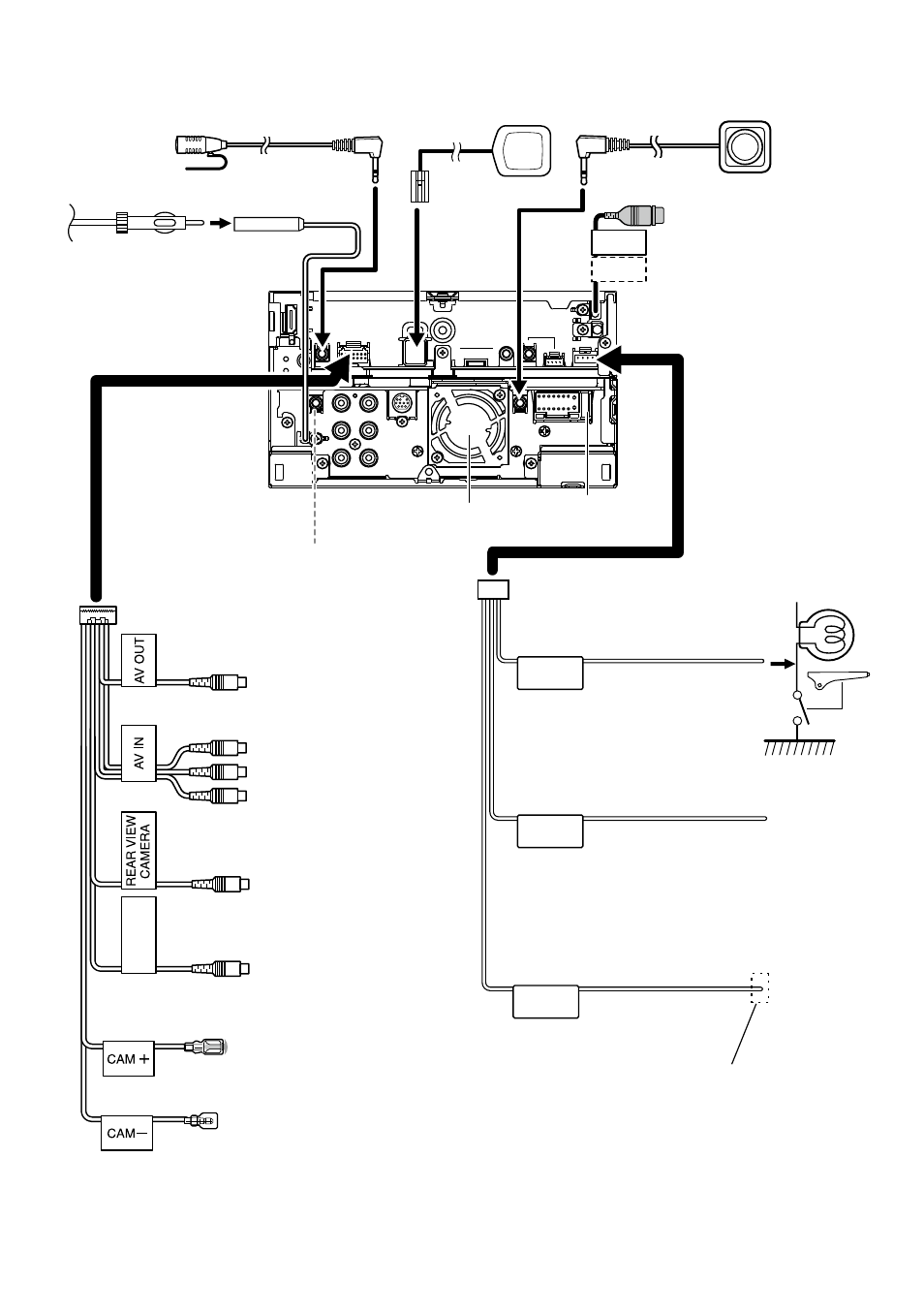
С Conexión del sistema
POWER
PTT
EXT
I/F
SW
FRONT
REAR
AV-OUT
AUDIO
R
L
FUSE 10A
GPS
AV-IN/OUT
MIC
HDMI/MHL
iPod/
AV-IN2
M4 x 8mmMAX
iDalalink
I/F
FRONT VIEW
CAMERA
RELAY
PRK SW
REVERSE
WiFi
Receiver
5V
=500mA
Realice la conexión en el
arnés del interruptor de
detección del freno de
aparcamiento del vehículo.
Para mayor seguridad, asegúrese
de conectar el sensor de
estacionamiento.
Luz verde (cable del sensor de
aparcamiento)
Morado/blanco (cable del sensor de marcha
atrás)
Ventilador de
refrigeración
Accesorio =: Interruptor de
conversación (DNN991HD solo)
Fusible (10 A)
Conecte el mazo de la luz de marcha atrás
del vehículo cuando utilice una cámara de
visión trasera opcional.
Accesorio 2
Entrada de antena FM/AM
Accesorio -:
Micrófono Bluetooth
Accesorio 9:
Antena GPS
Azul/rojo
A la caja de relés
Si no se efectúan las conexiones, no deje que
el cable sobresalga de la lengüeta.
Receptor Wi-Fi
- La recepción podría ser baja
si existen objetos metálicos
cerca de la antena Bluetooth y
el receptor Wi-Fi.
- Instale el receptor Wi-Fi junto
al lugar rodeado por el metal.
Salida AV-OUT
- Salida de audio
Verde/rojo
Verde/blanco
Al terminal de control de la
cámara de la serie CMOS-3xx
(accesorio opcional)
Entrada AV-IN1
- Amarillo (entrada visual)
- Rojo (entrada derecha de audio)
- Blanco (entrada izquierda de
audio)
Entrada de la cámara de visión
trasera
Entrada de la cámara de visión
delantera
Salida AV-OUT
- Salida de vídeo
Accesorio ~
