Development tools, Packaging – Rainbow Electronics AT75C320 User Manual
Page 11

11
AT75C320
1769A–07/01
Development
Tools
Both the ARM7TDMI and the OakDSPCore are industry-standard cores. They are supported
by a comprehensive range of state-of-the-art development tools, including assemblers,
C-compilers, source level debuggers and hardware emulators.
Packaging
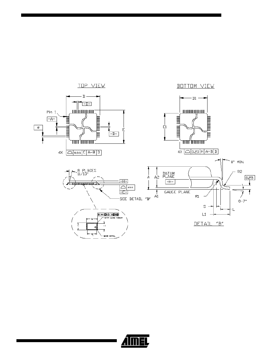
The AT75C320 is supplied in a 160-lead PQFP package. This provides the best compromise
between external connectivity and cost.
Figure 4. PQFP Package Drawing
For package data, see Table 3, Table 4 and Table 5 below.
See also other documents in the category Rainbow Electronics Wireless Headsets:
- RC2000 (2 pages)
- Т7023 (12 pages)
- Т7024 (20 pages)
- RC2200 (17 pages)
- RF01 (26 pages)
- RC1090 (17 pages)
- U3741BM (32 pages)
- U3742BM (32 pages)
- RAM01 (7 pages)
- RF22 (92 pages)
- RC1180-MBUS (28 pages)
- RFM01 (8 pages)
- RF12B (36 pages)
- RC1290 (17 pages)
- RC2300-ZNM (1 page)
- RF12 (31 pages)
- T48C862-R3 (107 pages)
- RF02 (24 pages)
- T48C862-R8 (107 pages)
- RFM12 (10 pages)
- U3745BM (29 pages)
- T5744 (19 pages)
- RFM12B (10 pages)
- U2745B (9 pages)
- T48C862-R4 (107 pages)
- RA01 (19 pages)
- T5754 (11 pages)
- U2741B (9 pages)
- RFM02 (8 pages)
- RC2100 (22 pages)
- RF модули диапазона ISM (4 pages)
- T5761 (35 pages)
- BTM -17х (5 pages)
- ATA8401 (12 pages)
- BTM -22х (7 pages)
- AT86RF231 (180 pages)
- ATA5575M1 (7 pages)
- AT88RF1354 (50 pages)
- ATA5812 (90 pages)
- AT86RF401 (50 pages)
- AT76C551 (77 pages)
- BTM -250 (6 pages)
- AT75C310 (132 pages)
- BTM -140 (6 pages)