Mount group – Simplicity 1734817 User Manual
Page 10

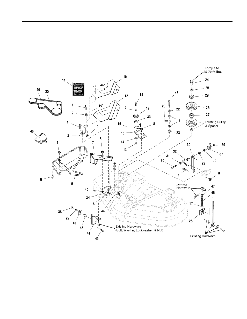
Mount Group
NOTE: Unless noted otherwise,
use the standard hardware torque
specification chart.
986508
The above parts group applies to the following Mfg. Nos.:
10
2007
Copyright © by Briggs and Stratton Corporation
Briggs and Stratton Yard Power Products Group
Milwaukee, WI, USA. All rights reserved
1695064 - Catcher
TP 400-4538-00-AT-SMA
This manual is related to the following products:
