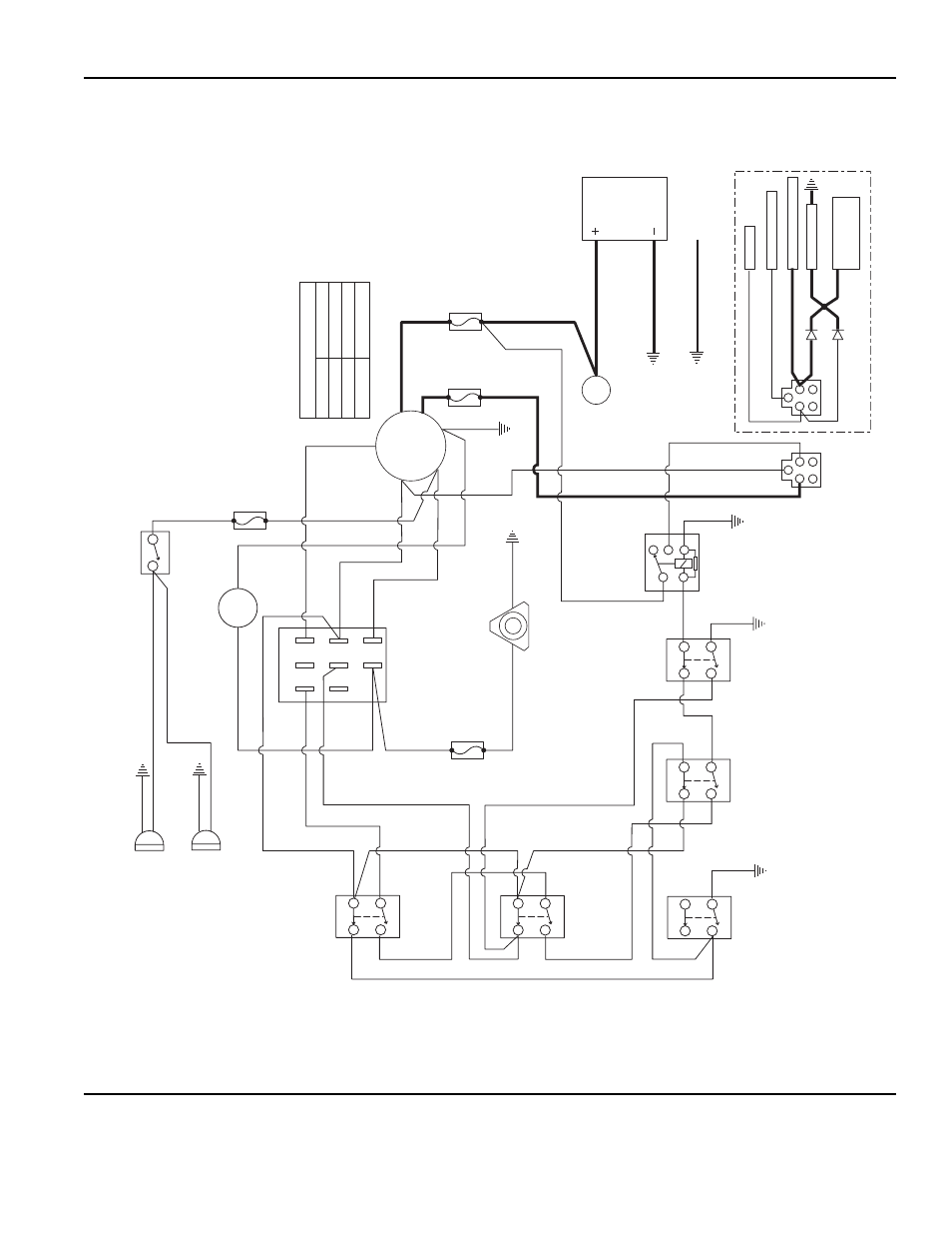
Charging circuit – Simplicity ZT2761F User Manual
Page 59

53
TP 400-7087-03-SL-D
The above parts group applies to the following Model Nos.:
ZT2561F
ZT2761F
(S/N: 279 - 1026)
Charging Circuit
NC
NO
LH NEUTRAL
SWITCH
22095
ST
AR
TER
MOTOR
BA
TTER
Y
PTO
SWITCH
22180
M
L
G
B
S
IGNITION
SWITCH
20927
A
P
A
RKING BRAKE
SWITCH
22182
P
A
RKING BRAKE
SWITCH
22182
RH NEUTRAL
SWITCH
22095
SEA
T
SWITCH
22095
HOURMETER
20060
PTO CLUTCH
23232
20A FUSE
21603
20A FUSE
21603
20A FUSE
21603
WHITE
WHITE/GREEN
WHITE
WHITE/GREEN
WHITE/RED
WHITE/RED
WHITE/RED
WHITE
WHITE
WHITE
WHITE
WHITE
WHITE
WHITE
WHITE
WHITE
WHITE/RED
YELLOW
YELLOW
YELLOW
YELLOW
YELLOW
YELLOW
YELLOW
YELLOW
YELLOW
YELLOW
GRA
Y
GRA
Y
BLUE
BLUE
BLUE
BLACK
BLACK
GREEN
GREEN
GREEN
GREEN
GREEN
GREEN
RED
RED
RED
WHITE
WHITE
YELLOW
VIOLET
IGNITION SWITCH
POSITION
CIRCUIT MAKE
1. OFF
G & M & A
2. RUN
B & L & A
3. ST
AR
T
B
& L & S
NEGA
TIVE BA
TTER
Y CABLE
21406
POSITIVE BA
TTER
Y CABLE
21405
GROUND CABLE
44014
NC
NO
NC
NO
NC
NO
NC
NO
ST
ALLION KOHLER WIRE HARNESS
48452
NO
HEADLIGHT
SWITCH
1703799
GREEN
GREEN
ORANGE
ORANGE
ORANGE
ORANGE
ORANGE
ORANGE
20A FUSE
21603
HEADLIGHT - RH
22980
HEADLIGHT - LH
22979
ENGINE
BLOCK
1
23
4
5
WHITE
1
32
5
4
ENGINE MAGNETO
WHITE
RED
RED
FUEL SOLENOID
VOL
TAGE REGULA
TOR
ST
AR
TER
SP
ARK ADV
ANCE
MODULE
(S.A.M.)
RED
RED
VIOLET
BLUE
25HP & 27HP KOHLER ENGINE HARNESS
COM
NO
NC
85
86
30
87A
87
GREEN
RELA
Y
21766
GREEN
YELLOW
VIOLET
WHITE
RED
RED
RED
VIOLET
