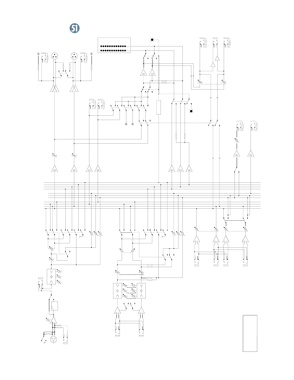
1402-vlz pro block diagram, 1402-vlz, Pro block diagram – MACKIE 1402-VLZPRO User Manual
Page 26

26
1402-VLZ
PRO BLOCK DIAGRAM
MAIN MIX
MAIN FADERS
30dB PAD
TAPE OUT L
LINE OUT L
BAL OUT L
BAL OUT R
LINE OUT R
ALT MIX
ALT OUT L
ALT OUT R
ALT
TAPE
MAIN
SOURCE
CONTROL ROOM &
PHONES FADER
METERING
(0dBu = 0VU)
CONTROL ROOM LEFT
CONTROL ROOM RIGHT
PHONES OUT
AUX 1 MIX
AUX 1 PRE / POST
AUX 2 OUT
AUX 1 OUT
TAPE IN
L
R
CONTROL ROOM &
PHONES MIX
2
3
1
2
3
1
AUX 1 LEVEL
TAPE OUT R
22
10
7 4
2
0 2
4 7
10
20
30
SOLO RELAY
PFL LED
RUDE
SOLO
LED
AFL (AFTER FADER LISTEN)
PFL (PRE-FADER LISTEN)
ASSIGN TO MAIN
AFL L
PFL
AFL R
AUX 2 MIX
SOLO MIX
MID
HI
80
2K5
12K
LO
MAIN L
MAIN R
ALT L
ALT R
AUX 1 PRE
AUX 1 POST
AUX 2 POST
SOLO/PFL
AFL L
PHANTOM POWER (GLOBAL SWITCH)
MIC IN
LINE IN
TRIM
INSERT
LOW CUT
3-BAND EQ
FADER
PAN
MUTE / ALT
MONO CHANNEL (1 OF 6)
2
1
3
STEREO CHANNEL (1 OF 4)
LINE IN L
LINE IN R
3-BAND EQ
FADER
PAN
MUTE / ALT
AUX RETURN 1
L IN
R IN
AUX RETURN 2
L IN
(MONO)
R IN
GAIN
GAIN
EFX TO MONITOR
MACKIE 1402-VLZ PRO
SIGNAL FLOW
1/99
MID
HI
80
2K5
12K
LO
MID
HI
80
2K5
12K
LO
75Hz
HPF
+4 /-10
AFL R
LOGIC
1
2
3
4
AFL L
AFL R
POST
LOGIC
SOLO
AUX SEND 2
AUX SEND 1
PRE
PFL
1
2
3
4
AFL L
AFL R
LOGIC
SOLO
PFL
POST
AUX SEND 2
AUX SEND 1
PRE