Search
Directory
Brands
Generac Power Systems manuals
Generators
8 kW LP
Manual
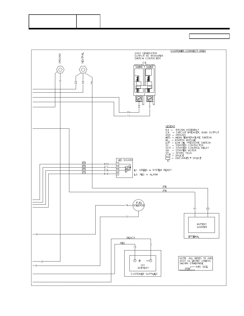
Group g, Wiring diagram, 14 kw home standby part 7, Page 173 – Generac Power Systems 8 kW LP User Manual
Page 175: Wiring - diagram
Text mode
Original mode
Group g, Wiring diagram, 14 kw home standby part 7, Page 173 | Wiring - diagram | Generac Power Systems 8 kW LP User Manual | Page 175 / 192
Pages:
1
…
173
174
175
176
177
…
192
wrong Brand
wrong Model
non readable
This manual is related to the following products:
10 kW LP
7 kW NG
14 kW LP
13 kW NG
17 kW LP
18 kW NG
20 kW LP
16 kW NG
9 kW NG
See also other documents in the category Generac Power Systems Generators:
004709-0
(52 pages)
GUARDIAN 04136-0
(44 pages)
04389-1
(60 pages)
1.6L 18 kW
(64 pages)
9593-3
(36 pages)
005213-0
(52 pages)
0043733
(64 pages)
005337-0
(64 pages)
004370-2
(60 pages)
Whisper - Test UL 2200
(4 pages)
2.4L
(68 pages)
004917-2
(48 pages)
SG025
(4 pages)
Quietpact 55
(92 pages)
05176-0
(52 pages)
004916-0
(44 pages)
940-2
(144 pages)
GUARDIAN 43734
(64 pages)
Guardian 5410
(82 pages)
NP-30G
(126 pages)
A-2624
(28 pages)
Guardian 4703
(2 pages)
IM Series
(36 pages)
005220-0
(60 pages)
009734-5
(60 pages)
GUARDIAN ELITE 005053-1
(56 pages)
005221-0
(60 pages)
SP SERIES
(1 page)
0941-1
(56 pages)
0661-5
(48 pages)
004373-6
(64 pages)
53187
(152 pages)
004988-4
(48 pages)
Transfer Switches and Accessories
(15 pages)
QT04524
(4 pages)
004988-1
(48 pages)
004917-4
(48 pages)
04390-1
(60 pages)
Guardian Elite 05402
(4 pages)
XP Series
(4 pages)
005210-0
(56 pages)
04760-0
(56 pages)
005012-1
(48 pages)
Q-Series
(56 pages)