Interconnections, Installation layout – Generac Power Systems QT036 User Manual
Page 4

QT036
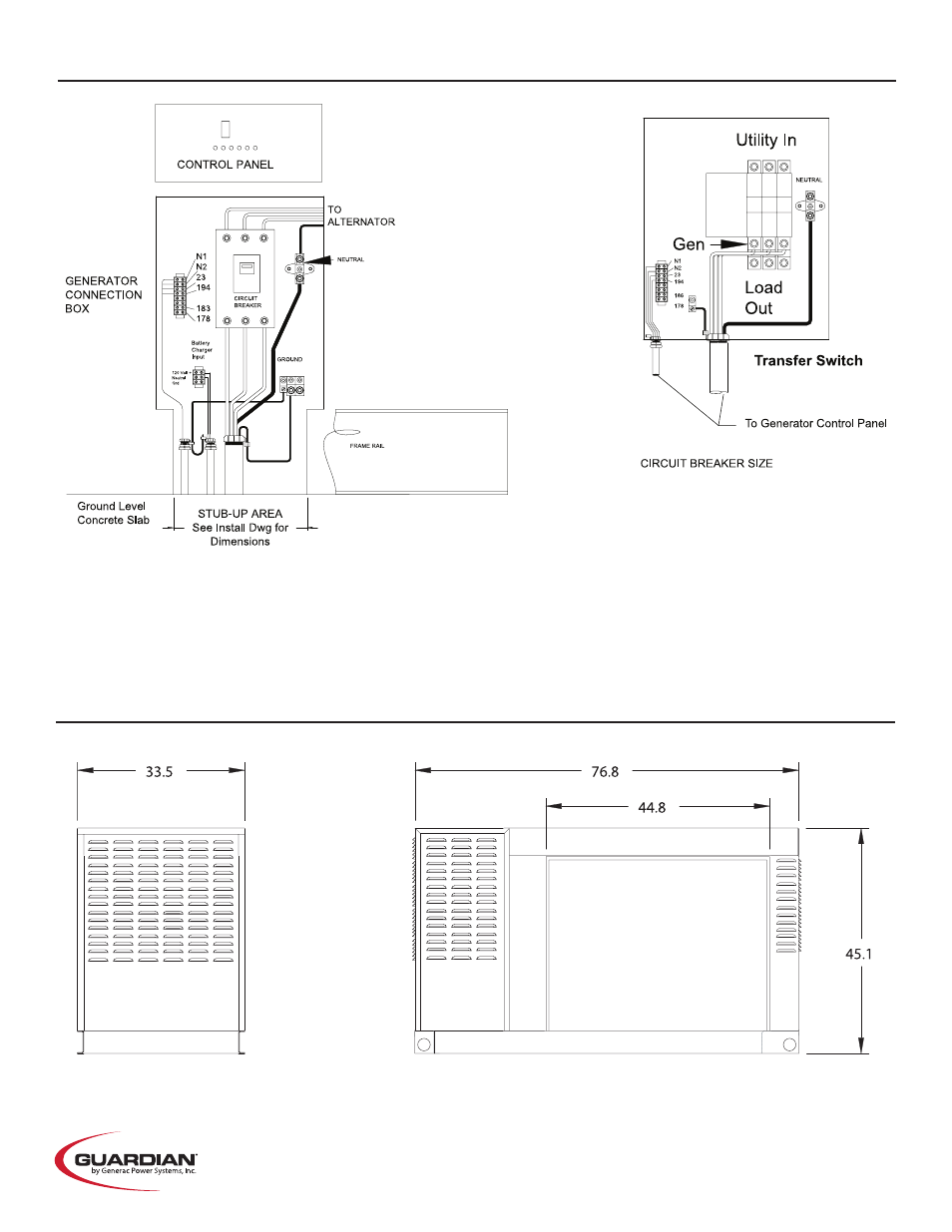
INTERCONNECTIONS
kW
VOLTS
AMPS
LUG SIZE
36
240 1ø
175
#6 to 300 MCM
36
208 1ø
150
#6 to 300 MCM
36
240 3ø
125
#6 to 300 MCM
36
480 1ø
60
#6 to 300 MCM
INSTALLATION LAYOUT
Installation Drawing Ref. No. 0F6286
Generac Power Systems, Inc. • P.O. Box 8, Waukesha, WI 53187 • generac.com
©2008 Generac Power Systems, Inc. All rights reserved. All specifications are subject to change without notice. Bulletin 0179250SBY/Printed in U.S.A. 09.08
See also other documents in the category Generac Power Systems Generators:
- 004709-0 (52 pages)
- GUARDIAN 04136-0 (44 pages)
- 04389-1 (60 pages)
- 1.6L 18 kW (64 pages)
- 9593-3 (36 pages)
- 005213-0 (52 pages)
- 0043733 (64 pages)
- 005337-0 (64 pages)
- 004370-2 (60 pages)
- Whisper - Test UL 2200 (4 pages)
- 2.4L (68 pages)
- 004917-2 (48 pages)
- SG025 (4 pages)
- Quietpact 55 (92 pages)
- 05176-0 (52 pages)
- 004916-0 (44 pages)
- 940-2 (144 pages)
- GUARDIAN 43734 (64 pages)
- Guardian 5410 (82 pages)
- NP-30G (126 pages)
- A-2624 (28 pages)
- Guardian 4703 (2 pages)
- 9 kW NG (192 pages)
- IM Series (36 pages)
- 005220-0 (60 pages)
- 009734-5 (60 pages)
- GUARDIAN ELITE 005053-1 (56 pages)
- 005221-0 (60 pages)
- SP SERIES (1 page)
- 0941-1 (56 pages)
- 0661-5 (48 pages)
- 004373-6 (64 pages)
- 53187 (152 pages)
- 004988-4 (48 pages)
- Transfer Switches and Accessories (15 pages)
- QT04524 (4 pages)
- 004988-1 (48 pages)
- 004917-4 (48 pages)
- 04390-1 (60 pages)
- Guardian Elite 05402 (4 pages)
- XP Series (4 pages)
- 005210-0 (56 pages)
- 04760-0 (56 pages)
- 005012-1 (48 pages)
- Q-Series (56 pages)