Search
Directory
Brands
haier manuals
Health and hygiene
1590 SB
Manual
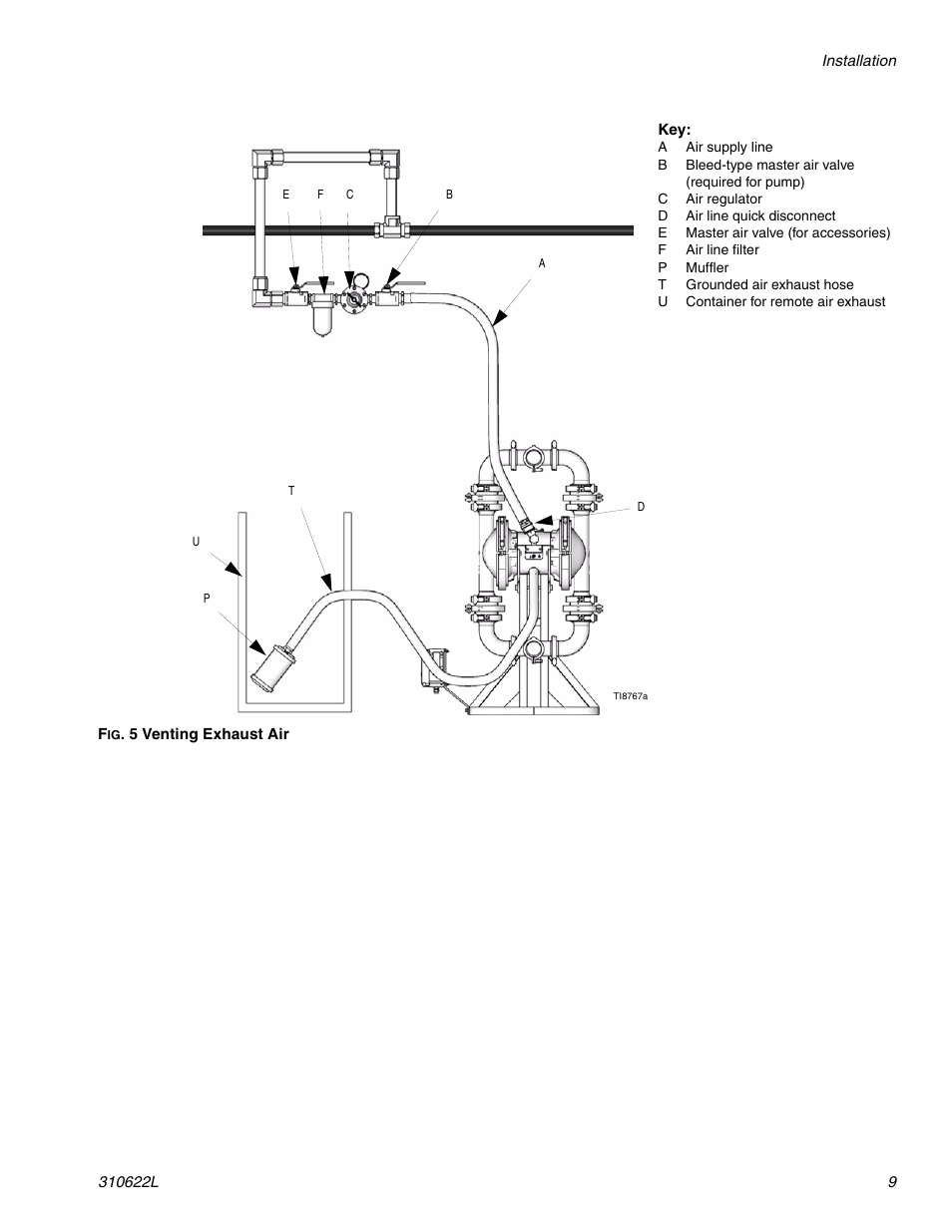
haier 1590 SB User Manual
Page 9
Text mode
Original mode
haier 1590 SB User Manual | Page 9 / 40
Pages:
1
…
7
8
9
10
11
…
40
wrong Brand
wrong Model
non readable
This manual is related to the following products:
1590 SA
3150 SB
3150 SA
3150 SF