Denso RC5 User Manual

Page 142

background image

122

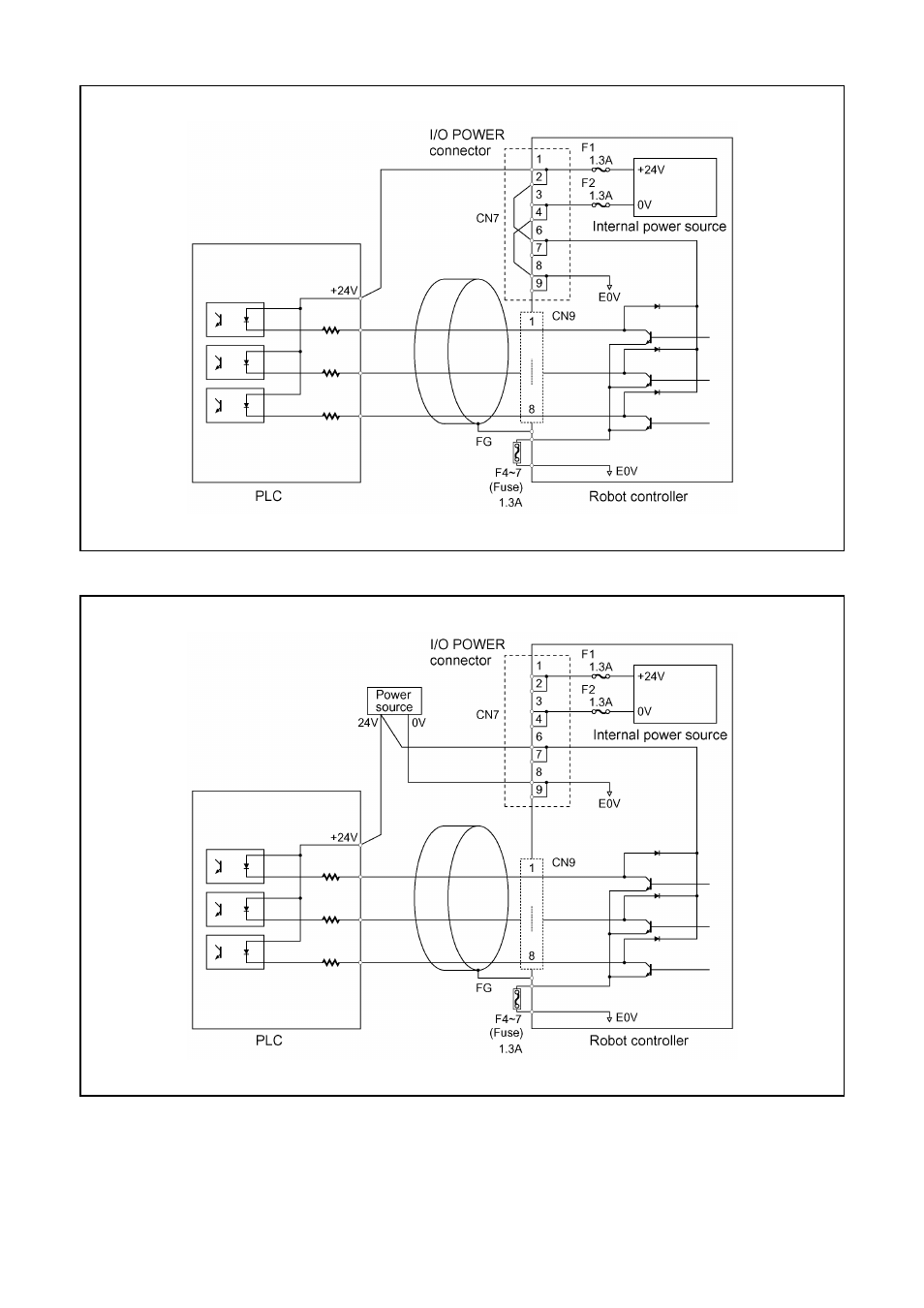
(When the internal power source is used)

(When an external power source is used)

Hand-Output Circuits (NPN type)