Search
Directory
Brands
Hypertherm manuals
Equipment
Powermax190c Troubleshooting Guide
Manual
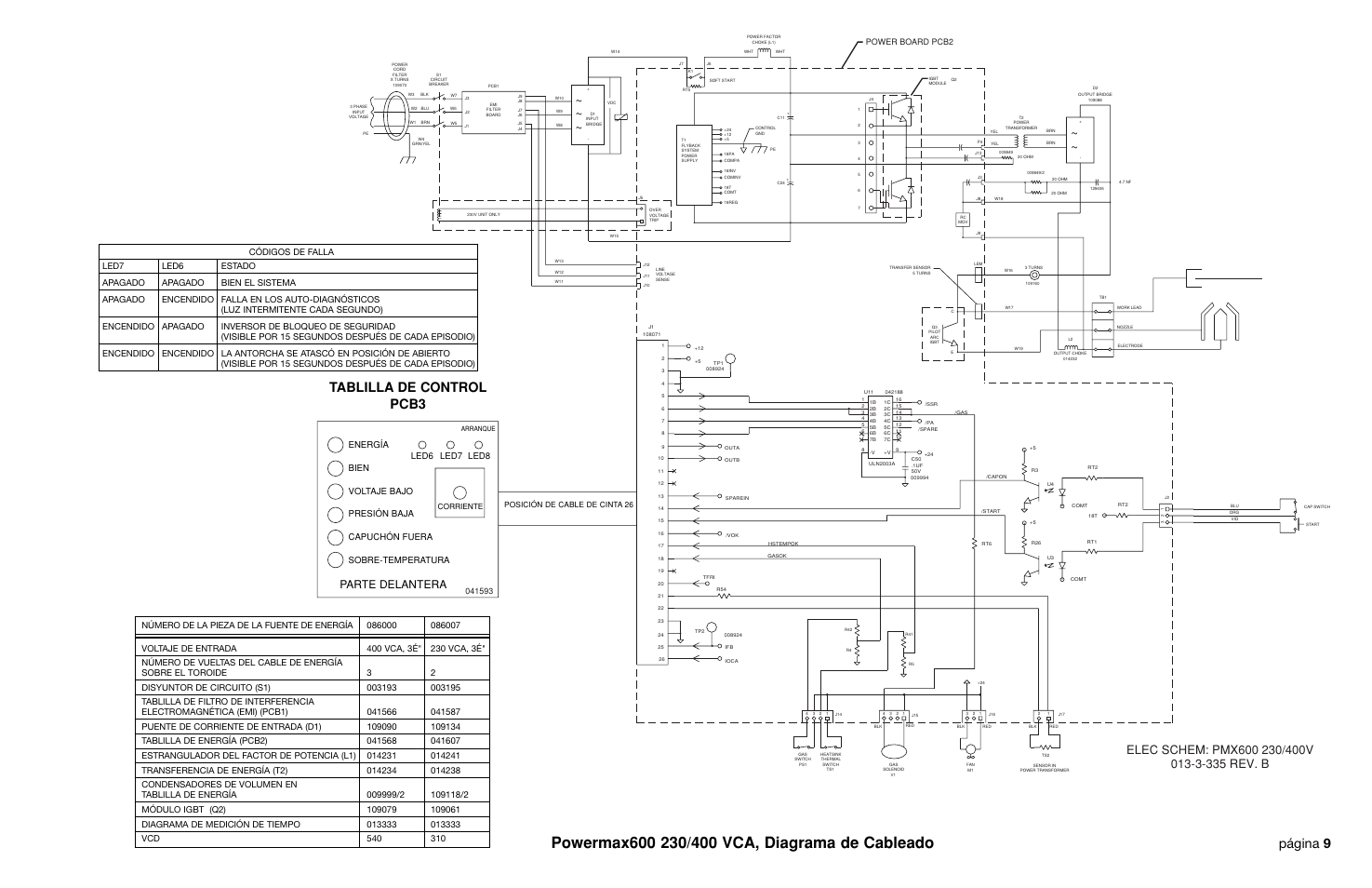
Control board pcb3, Tablilla de control pcb3, Página 9 – Hypertherm Powermax190c Troubleshooting Guide User Manual
Page 31: Front), Parte delantera
Text mode
Original mode
Control board pcb3, Tablilla de control pcb3, Página 9 | Front), Parte delantera | Hypertherm Powermax190c Troubleshooting Guide User Manual | Page 31 / 66
Pages:
1
…
29
30
31
32
33
…
66
wrong Brand
wrong Model
non readable
This manual is related to the following products:
Powermax350 Troubleshooting Guide
Powermax380 Troubleshooting Guide
Powermax600 Troubleshooting Guide
Powermax900 Troubleshooting Guide
Powermax1000 Troubleshooting Guide
Powermax1100 Troubleshooting Guide
Powermax1250 Troubleshooting Guide
Powermax1650 Troubleshooting Guide
See also other documents in the category Hypertherm Equipment:
EDGE Pro Ti Shape Cutting Control Rev.2
(288 pages)
80669J Rev.3
(304 pages)
HD3070 Plasma Arc Cutting System w/ Manual Gas Console
(281 pages)
MAXPRO200 Rev.2
(294 pages)
MicroEDGE Pro Shape Cutting Control Rev.2
(182 pages)
HPR260 Auto Gas Preventive Maintenance Program Rev.4
(288 pages)
Powermax1650
(317 pages)
Shape Cutting Control
(66 pages)
PHC Sensor
(58 pages)
HTA Rev 6.00 Operators Manual
(212 pages)
HTA Rev 7.00 Install Guide
(242 pages)
THC Control Board Replacement
(13 pages)
THC Plasma Interfacer Upgrade
(9 pages)
THC X-Y Table Product Configuration
(20 pages)
D845GERG2
(128 pages)
MRT2
(64 pages)
MRT
(98 pages)
Duramax Hyamp Long Handheld Torches
(92 pages)
Duramax Hyamp Robotic Torch
(74 pages)
HyIntensity Fiber Laser Rev.3
(240 pages)
PCBS-0124
(70 pages)
SuperMicro 370SBA 533Mhz
(90 pages)
LR2075
(56 pages)
Phoenix 8.0
(585 pages)
LH2125
(60 pages)
HD3070 w/ Automatic Gas
(35 pages)
HD3070 w/Manual Gas
(43 pages)
HD4070 Rev.8
(278 pages)
HD4070 Product Configuration
(88 pages)
HPR800XD Manual Gas Preventive Maintenance Program Rev.1
(32 pages)
HPR800XD Manual Gas Preventive Maintenance Program Rev.1
(33 pages)
HPR800XD Manual Gas Rev.2
(368 pages)
HPRXD Short Torch with Integrated Lead Rev.1
(30 pages)
HT4001
(59 pages)
DuraChill 5 HP Air-Cooled Chiller For Hypertherm
(29 pages)
HT4001 Air Injected Water Muffler System
(40 pages)
H601 Power Supplies
(62 pages)
MAX200 Remote Switch
(9 pages)
HT4100 Plasma Arc Cutting System Operating
(50 pages)
HT4001 Plasma Arc Cutting System
(259 pages)
HSD130 HySpeed Plasma
(233 pages)
HySpeed HT2000 Plasma Arc Cutting System Rev.7
(53 pages)
HySpeed HT2000 Plasma Arc Cutting System Rev.27
(289 pages)
MAX200 Water Muffler
(39 pages)
HT2000LHF Product Configuration
(23 pages)