Directory
Brands
Eskimo manuals
Sports and recreation
6400
Manual

Eskimo 6400 User Manual

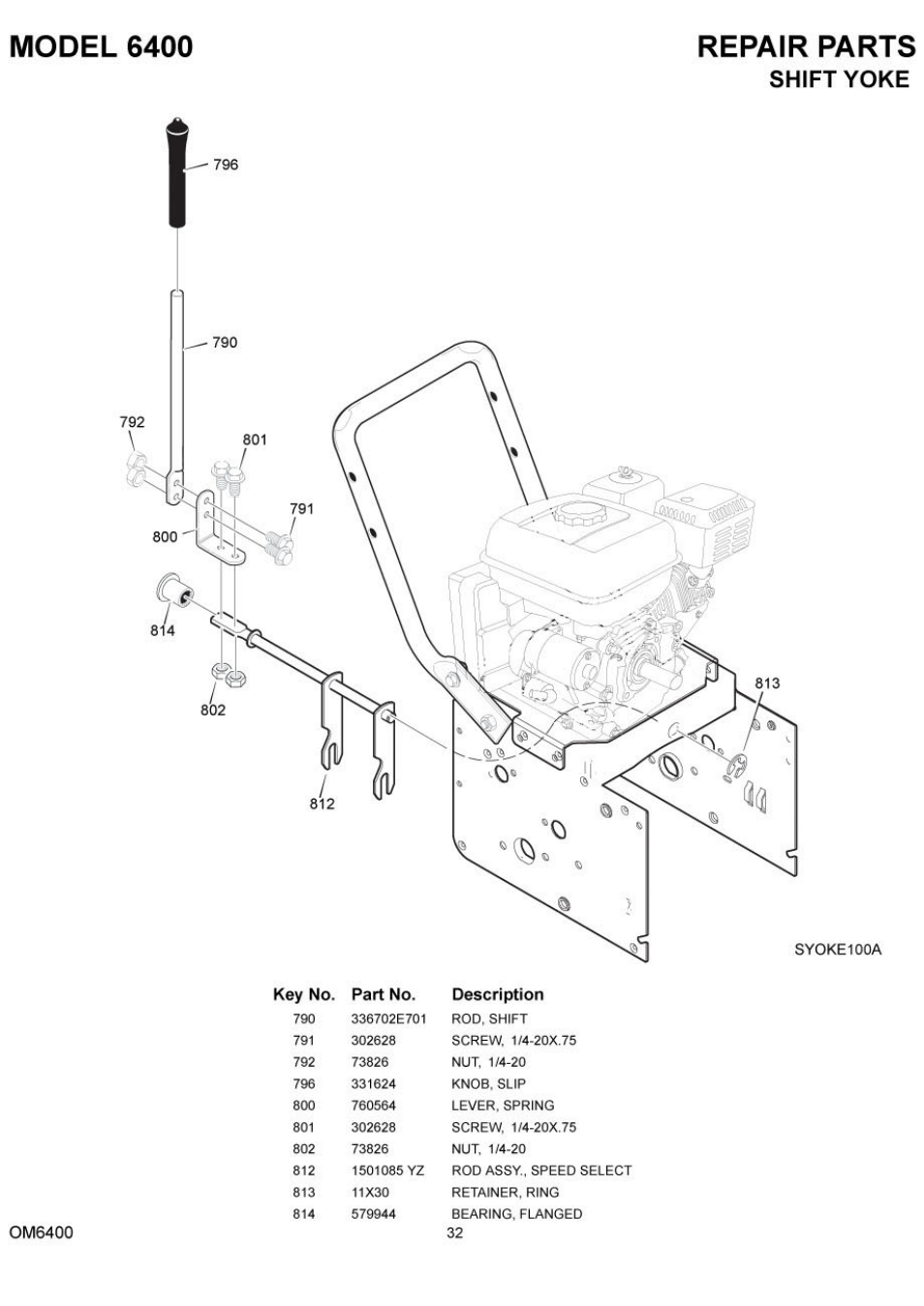
Page 32

  • Text mode
  • Original mode
Eskimo 6400 User Manual | Page 32 / 34 Eskimo 6400 User Manual | Page 32 / 34
Pages: 1 … 29 30 31 32 33 34
  • wrong Brand
  • wrong Model
  • non readable
See also other documents in the category Eskimo Sports and recreation:
  • 11427 (16 pages)
  • 11597 (16 pages)
  • 15300 (8 pages)
  • 15350 (12 pages)
  • 15400 (12 pages)
  • 15450 (12 pages)
  • 69163 (16 pages)
  • 69164 (16 pages)
  • 69161 (16 pages)
  • 69162 (16 pages)
  • FF767 (2 pages)
  • FF767 (2 pages)
  • 69143 (2 pages)
  • 16465 (2 pages)
  • 16000 (1 page)
  • HD06 (1 page)
  • Z51Q10 (14 pages)
  • 8903B (12 pages)
  • 6100 (27 pages)
Home Brands Popular manuals Recently added
Manuals Directory

© 2012–2025, azmanual.top
All rights reserved.