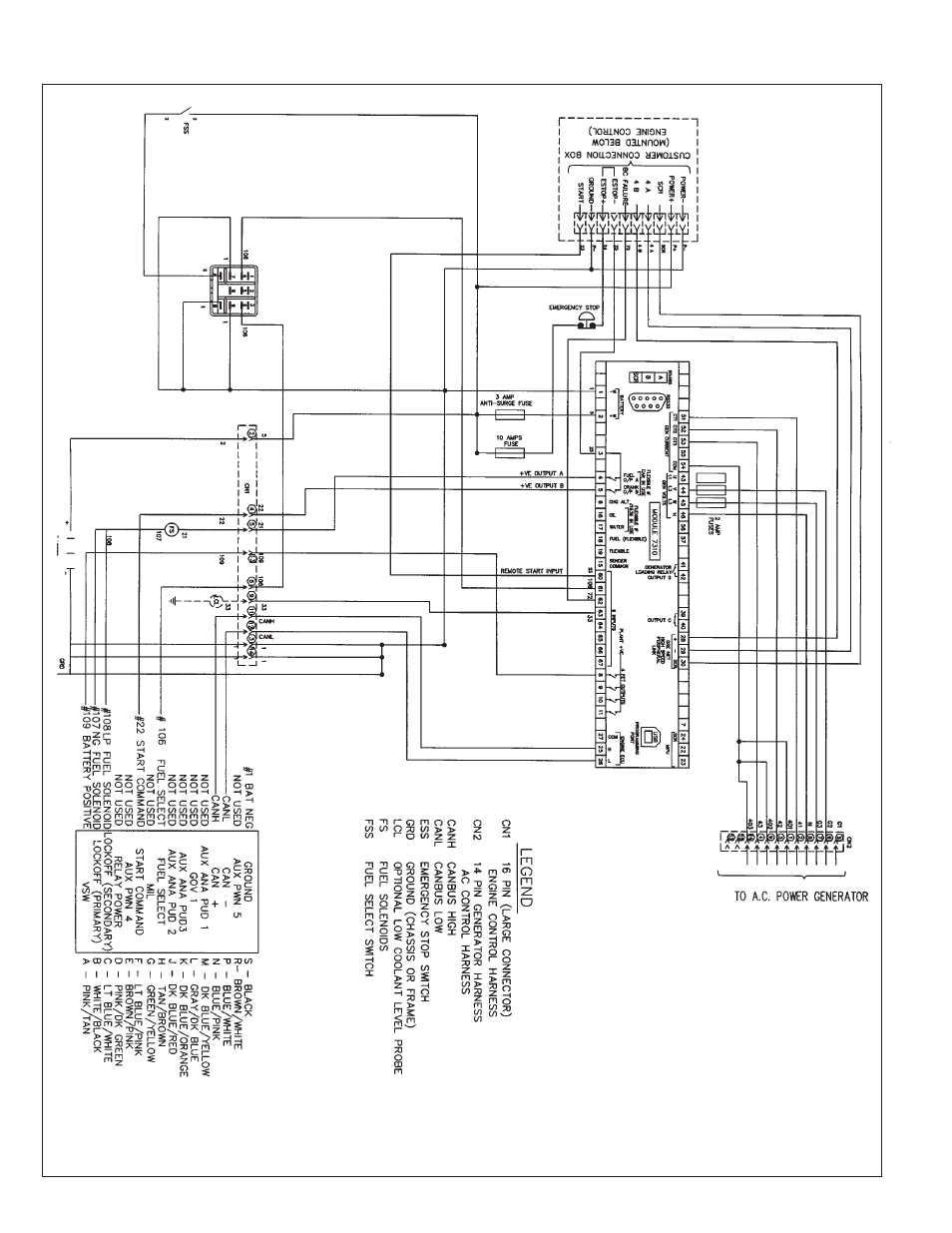
Engine control schema tic – Winco ULPSS40/G WITH DSE 7310 CONTROL (2011) User Manual
Page 18
This manual is related to the following products:
See also other documents in the category Winco Equipment:
- Rotating Field Design Troubleshooting Guide (4 pages)
- Rotating Armature Design Troubleshooting Guide (2 pages)
- W3000H (12 pages)
- WT3000H/C (16 pages)
- WT3000H (12 pages)
- WC5000H/D (16 pages)
- CSAW6010DEX/C (12 pages)
- W6010DE/F (12 pages)
- W6010DE/G (16 pages)
- WC10000VE (12 pages)
- WC10000VE/E (16 pages)
- WL12000HE (12 pages)
- WL12000HE/K (16 pages)
- WL18000VE/B (12 pages)
- WL18000VE/N (16 pages)
- WC3000H (12 pages)
- 2-Wheel Dolly Kit Assembly Instructions (2013) (4 pages)
- 4-Wheel Dolly Kit Assembly Instructions For 6kW Gen-Sets (4 pages)
- 2-Wheel Dolly Kit Assembly Instructions (4 pages)
- WC10000VE Dolly Kit Assembly Instructions (4 pages)
- WC10000VE/E Dolly Kit Assembly Instructions (4 pages)
- 4-Wheel Dolly Kit Assembly Instructions for 12kW Gen-Sets (4 pages)
- 4-Wheel Dolly Kit Assembly Instructions for WL18000VE (4 pages)
- 4-Wheel Dolly Kit Assembly Instructions for WL12000HE, WL18000VE, HPS12000HE/F (2013) (4 pages)
- 2-Wheel Dolly Kit Assembly Instructions for 5 KW thru 9 KW (except storm unit) (2013) (4 pages)
- DL5000H/D (16 pages)
- DL5000H/C (16 pages)
- CSADL6000I/E (12 pages)
- DL9000E (12 pages)
- LC SERIES (12 pages)
- ME5000V/A (12 pages)
- CSADL6000I/B (13 pages)
- CSADL6000I/C (12 pages)
- HPS6000HE/I (20 pages)
- HPS9000VE/E (20 pages)
- HPS12000HE/F (20 pages)
- HPS6000HE (12 pages)
- HPS12000HE (16 pages)
- HPS6000HE/E (16 pages)
- HPS6000HE/H (16 pages)
- PSS6HEE (16 pages)
- Fuel Shut-Off Solenoid Kit HPS6000HE/I & HPS9000VE/E (2013) (4 pages)
- Fuel Shut-Off Solenoid Kit HPS12000HE/F (2013) (4 pages)
- HP9000VE (14 pages)
- HD6010DEX/P (12 pages)
