Leslie Controls GP Pressure reducing valve User Manual
Page 6

Page 6
To Install Seat Ring
1.
Carefully clean threads and joint contact surfaces on
seat ring and in the valve body.
2.
Make sure joint surfaces are undamaged.
3.
Use a light coating of Never-Seez or similar lubricant
on the first two threads only of seat ring. Screw seat
ring into valve body threads and pull up tight with
wrench.
4.
Tap handle of socket wrench with hammer to lock seat
ring in place.
Hard Seats Only:
5.
Lap in main valve and seat ring carefully. Use very fine
lapping compound.
Reassembly
1.
Do not use graphite or compound on joints.
2.
Place main valve, main valve spring and gasket on bot-
tom cap. Assemble bottom cap part way (enough to
hold in place) on main body.
3.
Place diaphragm disc on main valve with guide end
over stem end of the main valve.
4.
Put diaphragm leaves together, matching convolutions
as closely as possible, and position them carefully in
main body above diaphragm disc.
5.
Assemble diaphragm cover and bolts/nuts to main
body. Snug up bolts alternately and evenly across
diaphragm cover. Then tighten firmly. Tighten bottom
cap. Reconnect air-loading line.
Replacing Main Valve Disc
Air or Gas Service Valves
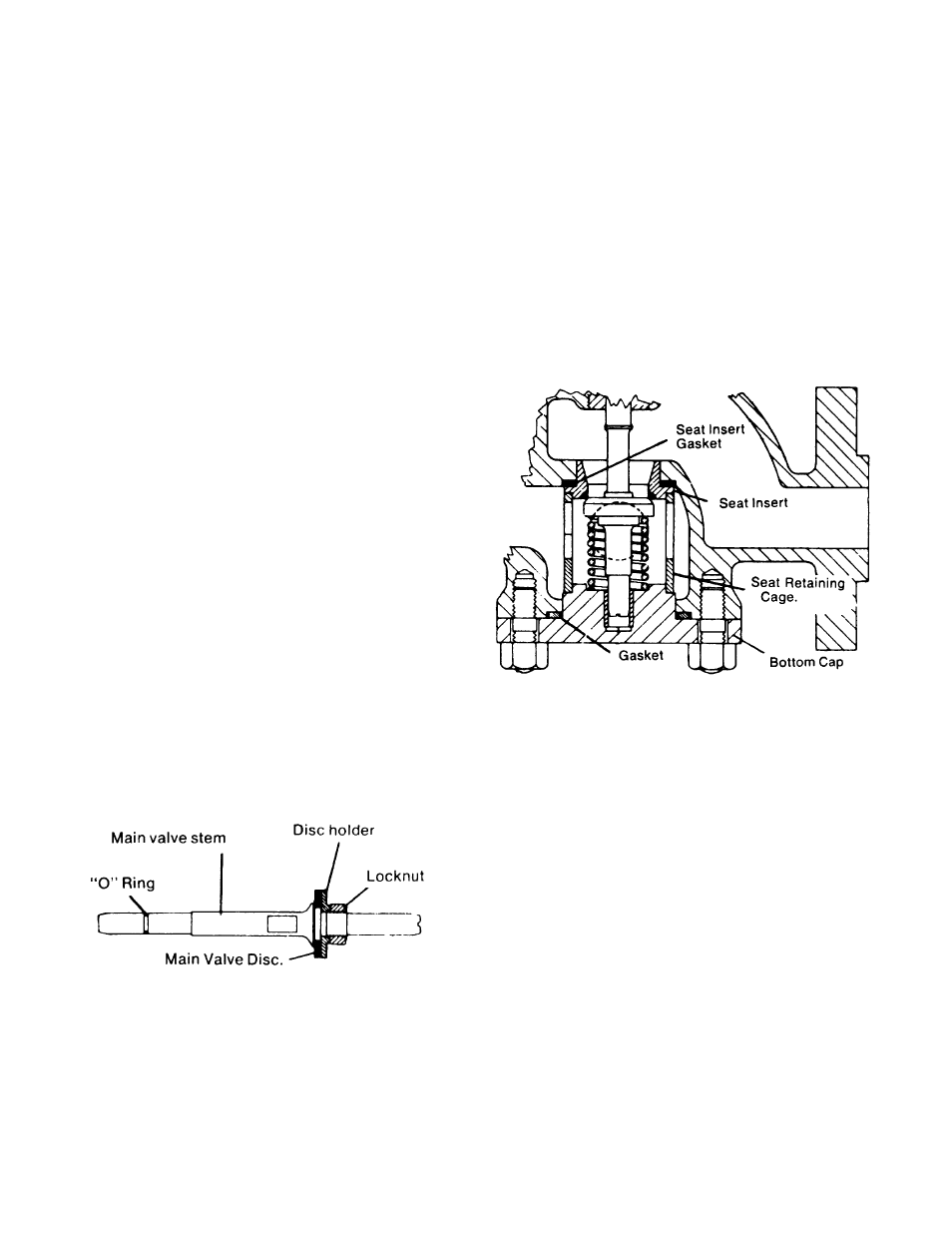
Figure 7 — Air/Gas Service
Main Valve Complete
Hold locknut rigidly. Use wrench on flats of stem to
loosen stem. Disassemble parts. Install new valve
disc and reassemble. Replace “O” ring if worn.
Lubricate "O" ring (use grease suitable to fluid under
control). If valve is controlling oxygen, use suitable
lubricate. Note: Do not grind in main valve.
Steel Valves Fitted with Cage Type Trim
When dismantling steel valves fitted with cage trim, the seat
insert, seat-insert cage and the seat-insert gasket may be
easily removed for inspection, cleaning or rework after the
bottom cap and other parts have been removed. When
reassembling, always use new seat insert and bottom cap
gaskets. Tighten bottom cap down evenly until the faces of
the bottom cap and main body meet.
For steel valves without cage trim, use the procedures.
Figure 7 — Cage Type Trim
