Connecting a standard dvd player – Philips Matchline 55PP9753 User Manual
Page 12
Attention! The text in this document has been recognized automatically. To view the original document, you can use the "Original mode".

Connecting a Standard DVD Player
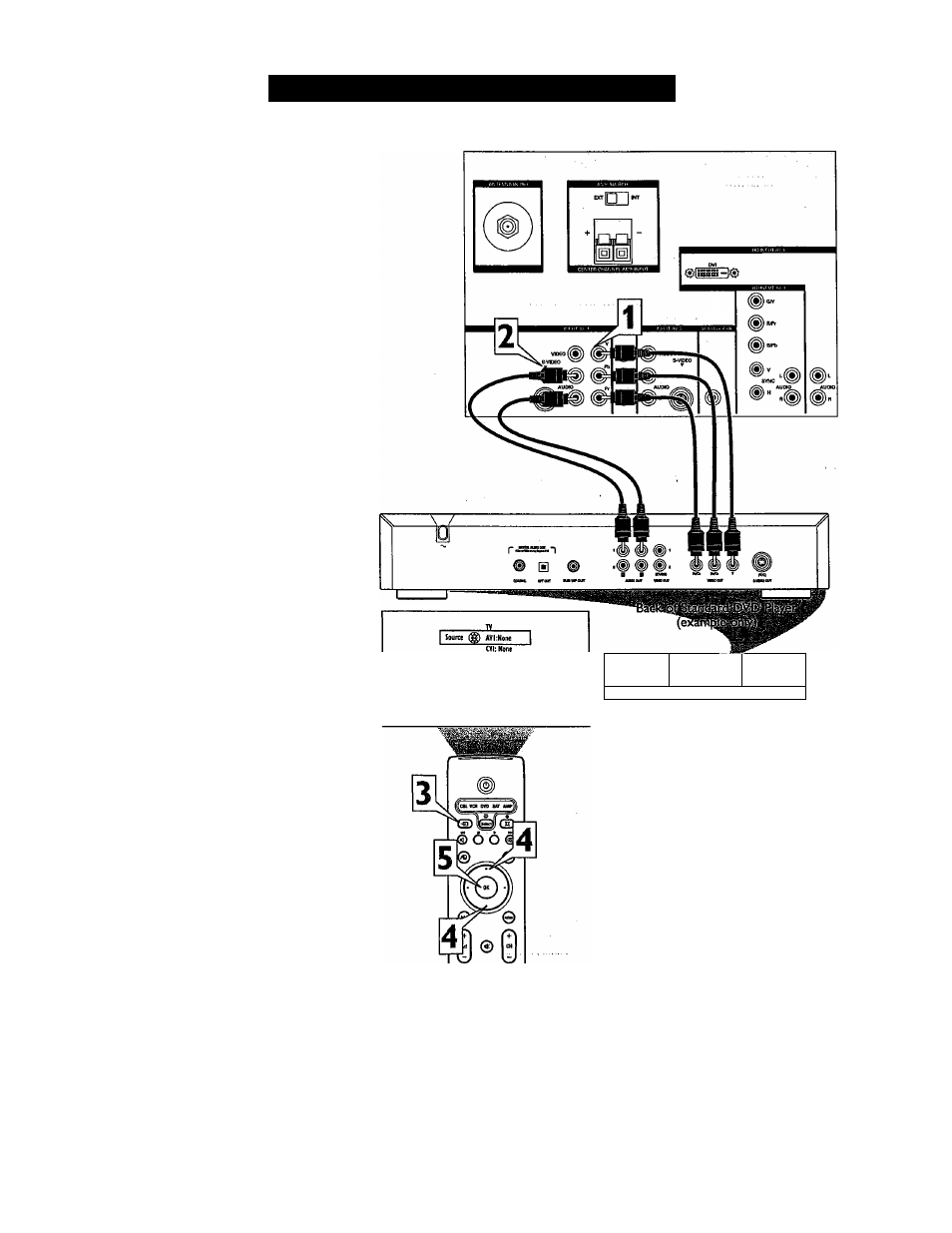
1
Using AudioA^deo cables, connect the
YPbPr jacks on the back of the stan
dard DVD player to the Y Pb Pr jacks
located under the INPUT-
AV 1 label on the back of the TV.
2
Using Stereo Audio cables, connect the
AUDIO OUT jacks on the back of the
DVD player to the corresponding
audio (L and R) jacks located under the
INPUT-AV I label on the back of the
TV.
3
4
5
Press the Source button on the remote
control to access the Source list.
Press the Cursor Up or Down button to
select the CVI (component video
input) source.
Press the OK button to confirm your
choice. The set is now switched to the
CVI soiuce for the viewing of programs
from the DVD player.
To simplify making connections, the con
nectors on audio and video cables are often
color coded to match the colors on TV
jacks. Red for Right audio and White for
Left audio.
The names for the component video jacks
may differ depending on the DVD player or
accessory digital source equipment used.
For example, besides Y Pb Ifr, you may see
R-Y/B-Y/Y; or Cr Cb Y. Although abbrevia
tions and terms may vary, the letters
B
and
R
stand for the blue and red color compo
nent signal connectors, tfeSpectively, and
Y
indicates the luminance signal. If necessary,
refer to the user manual for your DVD or
digital accessory for more iriformation.
If you experience difficulties receiving
sound with a DVD disc, check the sound
settings through the DVD disc’s menu.
Back ofTV
(S CD(3C3
O © ©
©
©
©
©
©
©
©
©
©
® ® Ca)
12
