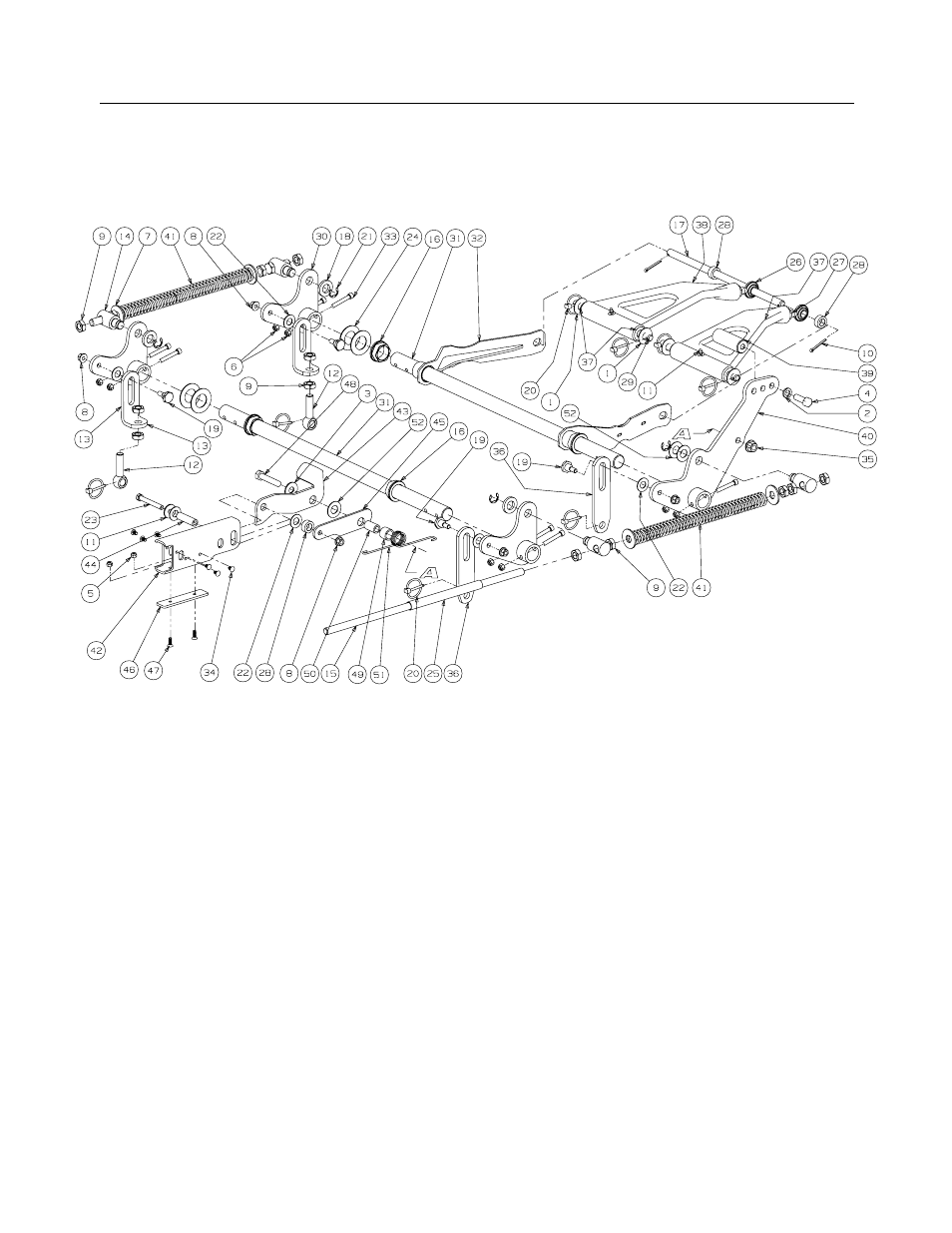
Lift assembly - figure 14 – Cub Cadet 53AI8CTZ750 User Manual
Page 24
See also other documents in the category Cub Cadet Gardening equipment:
- 7284 (89 pages)
- 7284 (52 pages)
- 72-inch (32 pages)
- ST23 (42 pages)
- 18.5HP Z-Force 42 (56 pages)
- TANK M54 (4 pages)
- LT1024 (28 pages)
- LT1024 (28 pages)
- 454 (20 pages)
- LT1050 (40 pages)
- 23Hp Tank 23BB5DBW150 (32 pages)
- 190-670-100 (12 pages)
- 01008371 15HP Z-Force 44 (54 pages)
- CC 500 (2 pages)
- CC4065 (44 pages)
- 190-192-190 (12 pages)
- PR-521 (16 pages)
- I1042 (36 pages)
- I1042 (56 pages)
- 439 (16 pages)
- 1000 Series (1 page)
- Fabricated Deck InDirect Injection Diesel (32 pages)
- 20HP ENFORCER 44 EN (32 pages)
- Z-FORCE 48 (2 pages)
- 7252 (52 pages)
- 7252 (48 pages)
- EX SERIES EX2900 (2 pages)
- THE TANK M48 (4 pages)
- H 1748 (2 pages)
- CC4025 (88 pages)
- LT1022 (28 pages)
- E977C (36 pages)
- RZT 50VT (2 pages)
- RZT 50 (56 pages)
- Series 390 (20 pages)
- 53AB5JEX750 (36 pages)
- 8404 (289 pages)
- 8354 (56 pages)
- EX450 (4 pages)
- 53AJ8CTX750 (32 pages)
- 7232 D (2 pages)
- Ex32002 (182 pages)
- 5254 (52 pages)
- Time Saver (16 pages)
- Zero-Turn Commercial Riding Mower Professional Turf Equipment (36 pages)
