Search
Directory
Brands
Clarion manuals
Monitors
VMA770
Manual
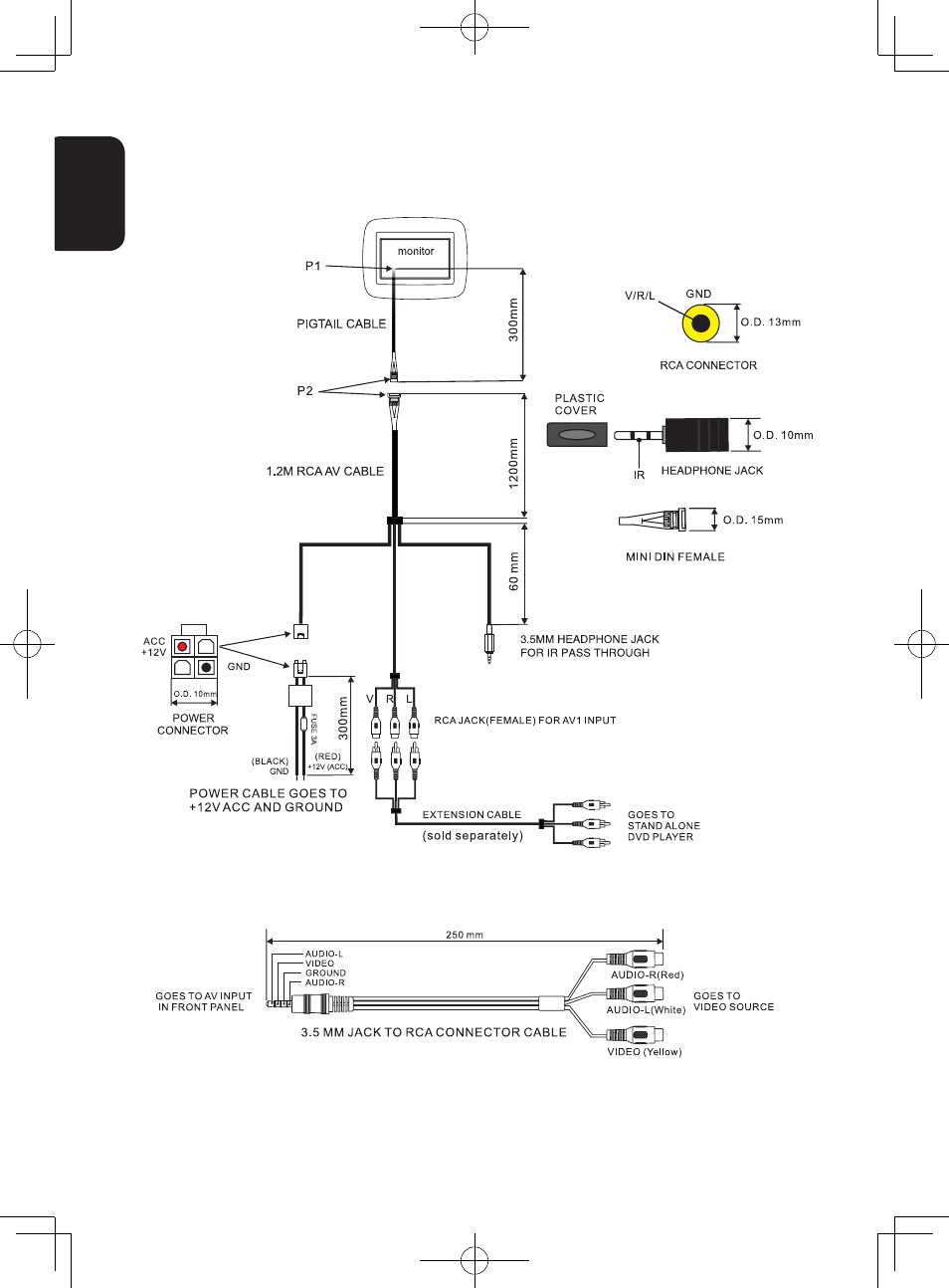
Connections diagram – Clarion VMA770 User Manual
Page 16
Text mode
Original mode
Connections diagram | Clarion VMA770 User Manual | Page 16 / 21
Pages:
1
…
14
15
16
17
18
…
21
wrong Brand
wrong Model
non readable
See also other documents in the category Clarion Monitors:
OHM106
(36 pages)
VMA573
(33 pages)
OHM107VD
(20 pages)
VMA1891
(12 pages)
OHM820
(14 pages)
VMA6492
(11 pages)
VMA6593
(16 pages)
VMA5091
(8 pages)
VMA633
(6 pages)
HRM150
(1 page)