Directory
Brands
Multiquip manuals
Equipment
SP2S20H20
Manual

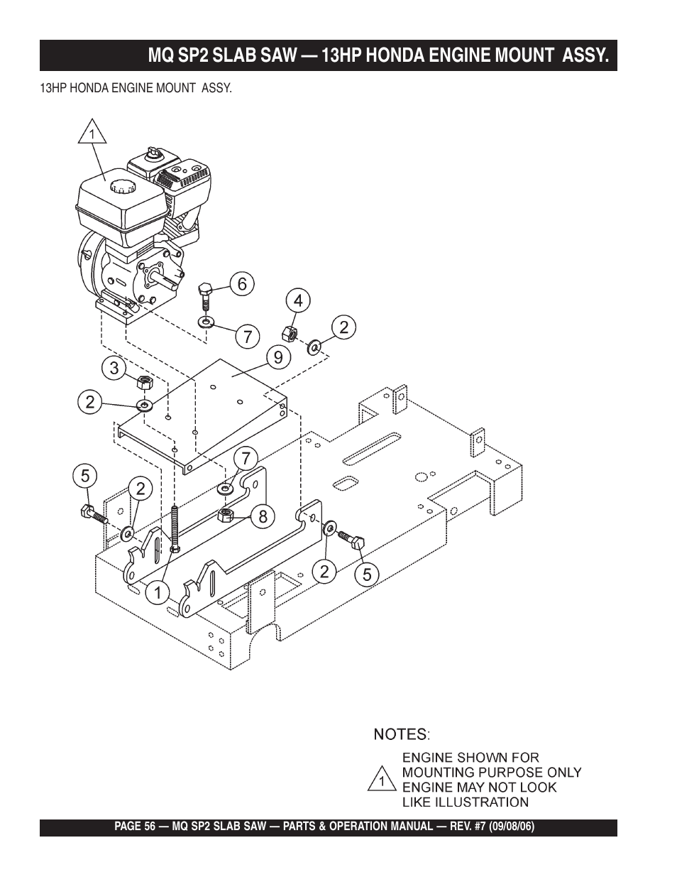
Mq sp2 slab saw — 13hp honda engine mount assy – Multiquip SP2S20H20 User Manual

Page 56

  • Text mode
  • Original mode
Mq sp2 slab saw — 13hp honda engine mount assy | Multiquip SP2S20H20 User Manual | Page 56 / 152 Mq sp2 slab saw — 13hp honda engine mount assy | Multiquip SP2S20H20 User Manual | Page 56 / 152
Pages: 1 … 54 55 56 57 58 … 152
  • wrong Brand
  • wrong Model
  • non readable
This manual is related to the following products:
  • SP2S13H20 SP213H20
See also other documents in the category Multiquip Equipment:
  • MT74F (50 pages)
  • MT65HA (64 pages)
  • MT65H (64 pages)
  • MT55F (72 pages)
  • MT54F (48 pages)
  • MT74FA (50 pages)
  • MT84F (50 pages)
  • MT84FA (50 pages)
  • MTR40F (76 pages)
  • MTR40SF (64 pages)
  • MTX60 (66 pages)
  • MTX60HD (70 pages)
  • MTX60HF (66 pages)
  • MTX60SD (58 pages)
  • MTX70 (68 pages)
  • MTX70HD (68 pages)
  • MTX70HF (68 pages)
  • MTX70SD (58 pages)
  • MTX80 (66 pages)
  • MTX80SD (58 pages)
  • MTX80SF (58 pages)
  • MT76D (50 pages)
  • MT76D2 (58 pages)
  • MT86D_Yanmar (50 pages)
  • MT86D_Yanmar (50 pages)
  • MT86D2 (58 pages)
  • MT60HS (54 pages)
  • MT62HS (68 pages)
  • MT75HS (50 pages)
  • MT85HS (50 pages)
  • MTR35HS (54 pages)
  • MTR40HS (66 pages)
  • MT-60H/H2 (52 pages)
  • MT70H (44 pages)
  • MT75H (42 pages)
  • MT85H (42 pages)
  • MTR35W (46 pages)
  • MTR60L (44 pages)
  • MTR80L (44 pages)
  • P54K-K2B-K4B (44 pages)
  • AR13D (92 pages)
  • AR13H (116 pages)
  • AR13HA (82 pages)
  • AR13HA (116 pages)
  • R2000H (90 pages)
Home Brands Popular manuals Recently added
Manuals Directory

© 2012–2025, azmanual.top
All rights reserved.