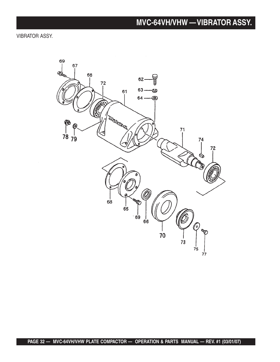
Mvc-64vh/vhw — vibrator assy – Multiquip MVC64VH/VHW User Manual
Page 32
See also other documents in the category Multiquip Equipment:
- MT74F (50 pages)
- MT65HA (64 pages)
- MT65H (64 pages)
- MT55F (72 pages)
- MT54F (48 pages)
- MT74FA (50 pages)
- MT84F (50 pages)
- MT84FA (50 pages)
- MTR40F (76 pages)
- MTR40SF (64 pages)
- MTX60 (66 pages)
- MTX60HD (70 pages)
- MTX60HF (66 pages)
- MTX60SD (58 pages)
- MTX70 (68 pages)
- MTX70HD (68 pages)
- MTX70HF (68 pages)
- MTX70SD (58 pages)
- MTX80 (66 pages)
- MTX80SD (58 pages)
- MTX80SF (58 pages)
- MT76D (50 pages)
- MT76D2 (58 pages)
- MT86D_Yanmar (50 pages)
- MT86D_Yanmar (50 pages)
- MT86D2 (58 pages)
- MT60HS (54 pages)
- MT62HS (68 pages)
- MT75HS (50 pages)
- MT85HS (50 pages)
- MTR35HS (54 pages)
- MTR40HS (66 pages)
- MT-60H/H2 (52 pages)
- MT70H (44 pages)
- MT75H (42 pages)
- MT85H (42 pages)
- MTR35W (46 pages)
- MTR60L (44 pages)
- MTR80L (44 pages)
- P54K-K2B-K4B (44 pages)
- AR13D (92 pages)
- AR13H (116 pages)
- AR13HA (82 pages)
- AR13HA (116 pages)
- R2000H (90 pages)
