Electrical installation – Lenze 8400 User Manual
Page 177

Electrical installation
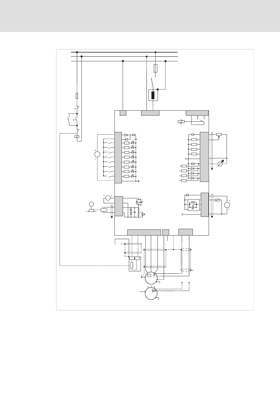
Devices in the power range 0.25 ... 2.2 kW (1/N/PE AC 230 V)
Example circuits
6
177
EDS84ASC552 EN 9.1
PE
X100
F1
K
Z
N L1
L1
N
PE
V
T1 T2
X105
X106
"
Rb2 U
W
"
PE
+
+
F4
O
I
R
b
J
K
K
AR
A1U
A1I
A2U
A2I
GA
O1U
O1I
O2U
O2I
24O
DO1
DO2
DO3
GO
X3
X4
DC 24 V
0 .. 10 V
1k .. 10k
"
0 ...10 V
+10 V/
10 mA
DC 24 V
(+19.2 …+28.8 V)
"
NC
COM
NO
X101
Rb1
E84AV Cxxxx
H
2
"
M
3~
PTC
R
b
"
M
3~
J>
"
Rb1 Rb2
+
+
3.3k
3.3k
3.3k
3.3k
3.3k
3.3k
3.3k
3.3k
24 V
X5
24E
24I
DI7
DI6
DI5
DI4
DI2
DI1
RFR
DI3
GI
(+19.2 …+28.8 V)
24B
GB
BD1
BD2
X107
(+19.2...+28.8 V)
M
"
DC 24 V
8400HLC023
Fig. 6-9
Wiring for controllers in HighLine C design with 230-V mains connection
This manual is related to the following products:
See also other documents in the category Lenze Equipment:
- p300 Mounting Instructions (12 pages)
- p300 Operating Instructions (37 pages)
- I/O system 1000 System Manual (744 pages)
- CS5800 Mounting Instructions (89 pages)
- CS5800 Operating Instructions (60 pages)
- Controller-based Automation (68 pages)
- Controller-based Automation (63 pages)
- 2121IB LECOM-Li (29 pages)
- HMI for visualisation / with control technology (96 pages)
- Controller 3200 C Operating Instructions (40 pages)
- c300 Operating Instructions (35 pages)
- EL 1800 Mounting Instructions (89 pages)
- EL 1800 Operating Instructions (57 pages)
- 3200 C (38 pages)
- 3200 C (195 pages)
- CPC 2800 Mounting Instructions (59 pages)
- CPC 2800 Operating Instructions (39 pages)
- CS 5000 DVI Mounting Instructions (86 pages)
- CS 5000 DVI Operating Instructions (53 pages)
- MP 800 DVI Mounting Instructions (88 pages)
- MP 800 Operating Instructions (43 pages)
- 8400 protec Manual (198 pages)
- 8400 motec Manual (121 pages)
- 8400 motec Mounting Instructions (164 pages)
- 9400 Manual (584 pages)
- 9400 Mounting Instructions (208 pages)
- 8400 (1494 pages)
- i700 Manual (159 pages)
- 8400 BaseLine Manual (114 pages)
- 8400 BaseLine Guide Quick Guide (10 pages)
- EZAEDE1000 (76 pages)
- EMF2180IB EthernetCAN (134 pages)
- EMF2181IB (154 pages)
- EMF2181IB (83 pages)
- EMF2177IB (28 pages)
- EMF2177IB (18 pages)
- E84AZESR RFI filter 3-29A (154 pages)
- E84AZESM Mains filter-RFI filter 42-96A (120 pages)
- ESVZAR0 RS-485 (33 pages)
- ESV SMV frequency inverter (66 pages)
- CANopen Controller-based Automation (110 pages)
- PROFIBUS Controller-based Automation (55 pages)
- EtherCAT Controller-based Automation (205 pages)
- PROFINET Controller-based Automation (44 pages)
