Search
Directory
Brands
Briggs & Stratton manuals
Computer Accessories
71009
Manual
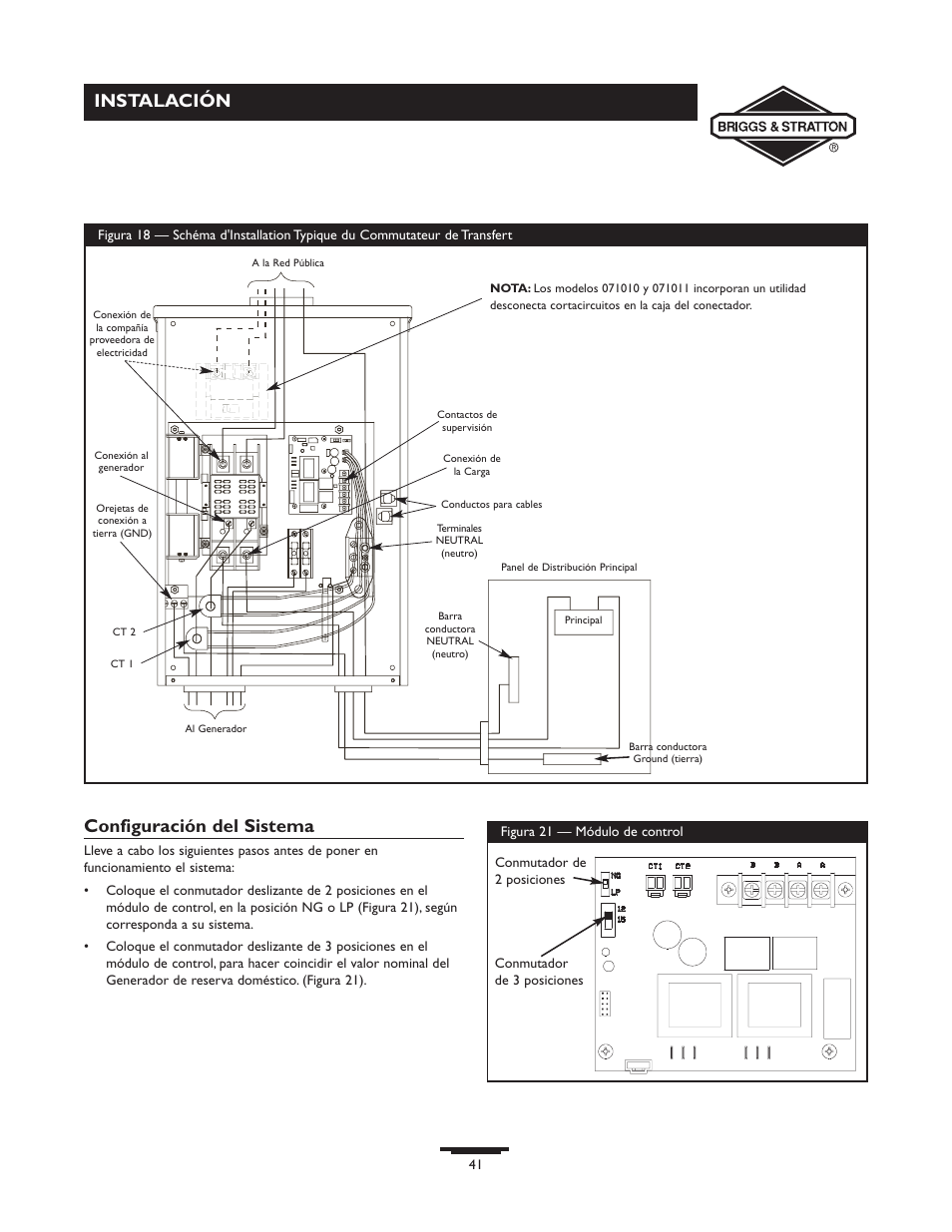
Instalación configuración del sistema – Briggs & Stratton 71009 User Manual
Page 41
Text mode
Original mode
Instalación configuración del sistema | Briggs & Stratton 71009 User Manual | Page 41 / 44
Pages:
1
…
39
40
41
42
43
44
wrong Brand
wrong Model
non readable
This manual is related to the following products:
71008
71010
71011
See also other documents in the category Briggs & Stratton Computer Accessories:
30A NEMA 1
(48 pages)
01813-1
(44 pages)
01814-0
(36 pages)
071021
(3 pages)
071019
(44 pages)
Switch
(40 pages)
071018
(3 pages)
50A NEMA 1
(32 pages)
50A NEMA 3R
(28 pages)
Automatic Transfer Switch
(40 pages)
01813-0
(36 pages)
071020
(3 pages)