Search
Directory
Brands
Vollrath manuals
Kiln
Cayenne Convection Ovens Operator Manual
Manual
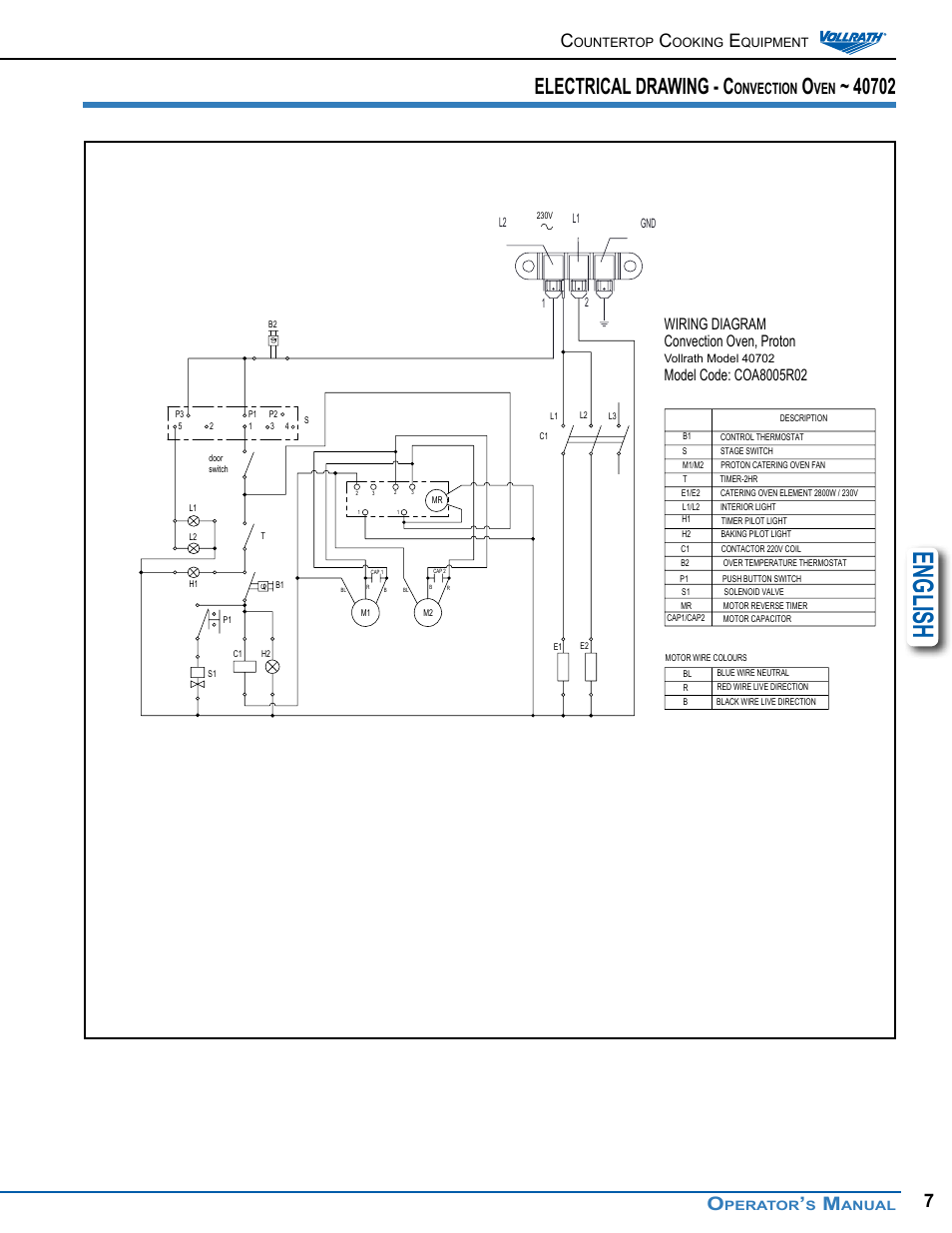
English, Electrical drawing - c, Onvection – Vollrath Cayenne Convection Ovens Operator Manual User Manual
Page 7
Text mode
Original mode
English, Electrical drawing - c, Onvection | Vollrath Cayenne Convection Ovens Operator Manual User Manual | Page 7 / 16
Pages:
1
…
5
6
7
8
9
…
16
wrong Brand
wrong Model
non readable
See also other documents in the category Vollrath Kiln:
Cayenne Convection Ovens Installation Instructions
(2 pages)
Cayenne Chicken Rotisserie Ovens
(10 pages)
Cayenne Pizza/Bake Oven
(8 pages)
Cayenne Cheese Melter
(6 pages)