Hook up s and se tti n gs – Sony RDR-HX715 User Manual
Page 15

15
H
ook
up
s and
Se
tti
n
gs
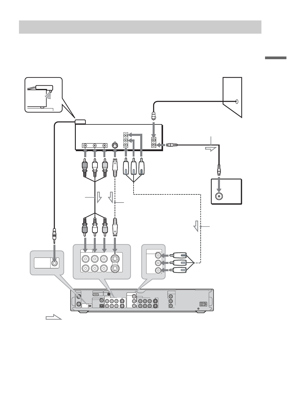
With this hookup, you can record any channel on the cable box or satellite receiver. Be sure that the
satellite receiver or cable box is turned on.
To watch cable or satellite programs, you need to match the channel on the recorder (L1 or L3) to the
input jack connected to the cable box or satellite receiver (LINE IN 1 or 3). Note that the TV Guide On
Screen system does not display listings for satellite programming.
b
Note
Do not connect a hi-definition tuner using the component video cords. This recorder only accepts standard definition
interlace signals.
z Hints
• If your cable box or satellite receiver has an S-video jack or component output jacks, you can use an S-video cord (not
supplied) or component video cord (not supplied) instead of the audio/video cord. When you connect using a
component video cord, connect the audio cords to the LINE IN jacks.
• If you connect an S-video cord to the LINE IN 1 jack or component video cord to the COMPONENT VIDEO IN jacks,
set “Line1 Input” in “Video” setup to “S Video” or “Component” (page 93). If you connect an S-video cord to the
LINE IN 3 jack, set “Line3 Input” in “Video” setup to “S Video” (page 93).
A: Cable box or satellite receiver with a video/audio output
ANT IN
R
L
S VIDEO
AUDIO
OUT
VIDEO
OUT
TO TV
COMPONENT
VIDEO IN
P
B
Y
P
R
VHF/UHF
~
AC IN
COMPONENT
VIDEO OUT
P
B
Y
P
R
1
2
VIDEO S VIDEO
R-AUDIO-L
IN
OUT
COMPONENT
VIDEO IN
P
B
Y
P
R
DIGITAL OUT
HDMI OUT G-LINK
COAXIAL
OPTICAL
PCM/DTS/
DOLBY DIGITAL
LINE OUT
1
3
SET TOP
BOX
CONTROL
VIDEO S VIDEO
R-AUDIO-L
LINE IN
SET TOP
BOX
CONTROL
1
3
VIDEO S VIDEO
R-AUDIO-L
LINE IN
COMPONENT
VIDEO IN
P
B
Y
P
R
COMPONENT
VIDEO OUT
to LINE IN
1 or 3
DVD recorder
Audio/video
cord (not
supplied)
: Signal flow
Cable box/
satellite receiver
Antenna cable
(supplied)
to antenna input
S-video cord
(not supplied)
Wall
TV
Component video cord
(not supplied)
to COMPONENT VIDEO IN
Set top box
controller
(page 14)
Place the set top box controller
near the remote sensor on the
cable box/satellite receiver.
to SET TOP
BOX CONTROL
,continued
