Search
Directory
Brands
ABL electronic manuals
Computers
PIC Microcontrollers PIC16
Manual
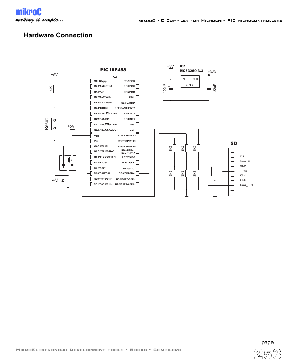
Mikroc, Hardware connection, Making it simple – ABL electronic PIC Microcontrollers PIC16 User Manual
Page 261: Page, Sd 4mhz, Reset
Text mode
Original mode
Mikroc, Hardware connection, Making it simple | Page, Sd 4mhz, Reset | ABL electronic PIC Microcontrollers PIC16 User Manual | Page 261 / 312
Pages:
1
…
259
260
261
262
263
…
312
wrong Brand
wrong Model
non readable
This manual is related to the following products:
PIC Microcontrollers PIC12
PIC Microcontrollers PIC18