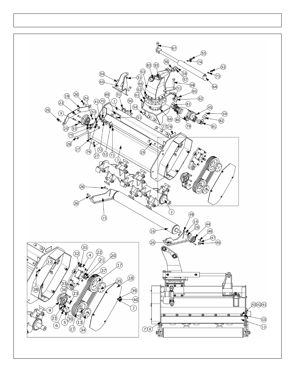
48 in flail - head asy (swivel mnt) (part 3) – Alamo AXTREME2 02988075P User Manual
Page 18
See also other documents in the category Alamo Gardening equipment:
- 02986941P (99 pages)
- Machete T 7740 (90 pages)
- Switchblade Sickle Bar 6 (112 pages)
- FALCON 15/10 (156 pages)
- Brahma 02968822P (64 pages)
- JD-5205 (104 pages)
- RX72 (52 pages)
- MACHETE 02968915C (174 pages)
- none (150 pages)
- 00756179P (70 pages)
- Lawn Mower (70 pages)
- Maverick Boom Arm Mower (174 pages)
- 803213C (140 pages)
- A-Boom (226 pages)
- 02979718C (110 pages)
- 272 (136 pages)
- A84B (148 pages)
- RHINO 2409 (106 pages)
- SHD96 (140 pages)
- 7191852C (110 pages)
- SAMURAI 02986950P (104 pages)
- 800 (58 pages)
- FC-0002 (122 pages)
- A60 (138 pages)
- ST10 (74 pages)
- Exten-A-Kut II (142 pages)
- RHINO 7214 MSL (44 pages)
- RHINO 95C (56 pages)
- A72B (138 pages)
- 803350C (168 pages)
- Interstater 803213C (186 pages)
- 6212 (100 pages)
- 4211 MSL (104 pages)
- Eagle 14 (186 pages)
- RHINO FX21 (156 pages)
- TS-135A (72 pages)
- TS-100A (154 pages)
- 02968915P (170 pages)
- Axtreme 02983326P (116 pages)
- RX96 (172 pages)
- 00761808C (170 pages)
- Axtreme 02984405 (106 pages)
- Swingtrim (126 pages)
- Axtreme FC-P-0002 (114 pages)
