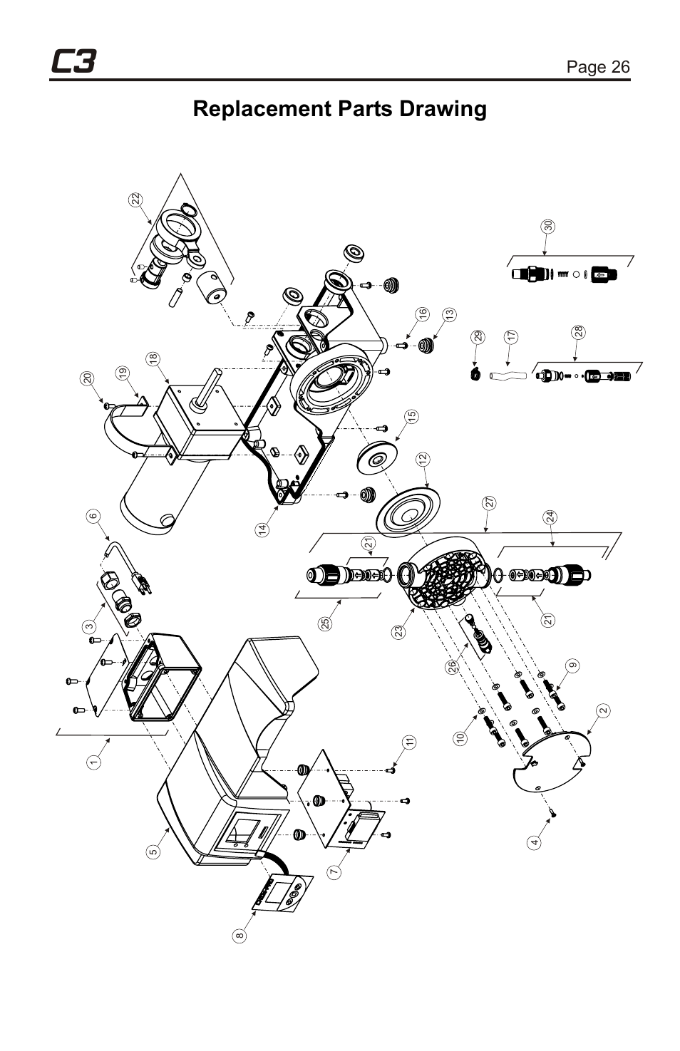
Parts list, Replacement parts drawing, Page 27 – Xylem C3V CHEMICAL METERING PUMPS User Manual
Page 26: Page 26
This manual is related to the following products:
See also other documents in the category Xylem Tools:
- Lab 850 BENCHTOP pH METER (73 pages)
- Lab 850, up to serial number 09470314 (61 pages)
- Lab 860 BENCHTOP pH METER (74 pages)
- Lab 870 BENCHTOP pH METER (71 pages)
- Lab 960 (77 pages)
- Lab 970 (71 pages)
- CG 839 (8 pages)
- CG 842 (44 pages)
- CG 843P (72 pages)
- CG 843 (68 pages)
- CG 853P (76 pages)
- CG 853 (74 pages)
- CG 855 (11 pages)
- HandyLab 100 QuickStart (50 pages)
- HandyLab 100 (66 pages)
- HandyLab 200 QuickStart (50 pages)
- HandyLab 200 (52 pages)
- HandyLab 600 QuickStart (50 pages)
- HandyLab 600 (72 pages)
- HandyLab 680 QuickStart (50 pages)
- HandyLab 680 (120 pages)
- HandyLab 700(EX) (128 pages)
- HandyLab 700 (76 pages)
- HandyLab 780 (164 pages)
- handylab LF 11 (44 pages)
- handylab LF 12 (64 pages)
- handylab OX 12 (60 pages)
- handylab multi 12 (82 pages)
- handylab pH 11 (48 pages)
- handylab pH 12 (68 pages)
- handylab pH LF 12 (80 pages)
- IQ SensorNet FDO 70x IQ (SW) (48 pages)
- IQ SensorNet ViSolid 700 IQ (SW) (58 pages)
- MultiLab 4010-2 (112 pages)
- MultiLab 4010-3 (112 pages)
- EBI 40 TK-12 (18 pages)
- TFX 410 (38 pages)
- EBI 20 Serie (20 pages)
- EBI20 TEMPERATURE/HUMIDITY DATALOGGERS (40 pages)
- EBI 20-TF (40 pages)
- TFX 422 (36 pages)
- ST 1000 (42 pages)
- TLC 1598 (2 pages)
- TTX 100/110/120 (28 pages)
- EBI 25 (18 pages)
