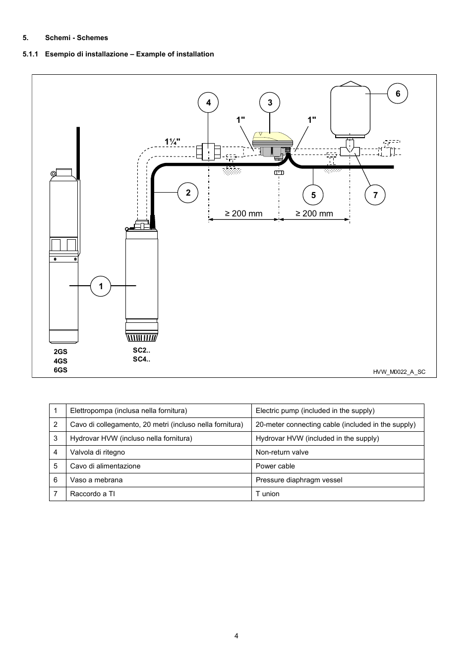
Xylem HVW/SC and HVW/GS series system User Manual
Page 4
This manual is related to the following products:
See also other documents in the category Xylem Pumps:
- 19-001-290B Residential Fire Pump Package (10 pages)
- 1580 Series In-Line Mounted Centrifugal Fire Pumps AC2516 (8 pages)
- A-C Fire Pump Temporary Storage of Equipment – GI-2 (1 page)
- 8100 Series Centrifugal Pumps AC2515 REV.C (63 pages)
- 1580 Series In-Line Mounted Centrifugal Fire Pumps AC2516 REV.B (8 pages)
- 8200 Series Base Mounted Centrifugal Fire Pumps AC2675 REV.C (38 pages)
- A-C Fire Pump – Vertical Turbine Fire Pump AC8499 (28 pages)
- 9100 Series Base Mounted Centrifugal Fire Pumps AC8585 REV.C (37 pages)
- 2000 Series Frame Mounted Pumps AC8652 REV.C (20 pages)
- 19 001 200 R2 SILENT STORM VFD Pumping System (38 pages)
- 19 001 251 R3 Floboy VFD Pumping System (40 pages)
- 19 001 300 R2 Silent Storm VFD Pumping System OMRON Touch Screen Display Manual (162 pages)
- 19 001 351R2 PACE Integrated Pump Controller Human Machine Interface (HMI) for the Silent Storm VFD Pumping System – User Guide (28 pages)
- 19-001-350R2 PACE Integrated Pump Controller Human Machine Interface (HMI) for the Silent Storm VFD Pumping System – Technician Guide (54 pages)
- 6 71 075 004A Autocirc Instant Hot Water Pump E1 BCANCT1W 06 (8 pages)
- 6 71 075 108A ecocirc E Series E10 Bronze Pumps (4 pages)
- 6 71 075 109A Autocirc Instant Hot Water Pump Model ACT E10 (8 pages)
- 6 71 075 145B ACT-4 Potable Hot Water Recirculating Systems (28 pages)
- A 00 091 376A Series E1 and E3 Instant Hot Water Recirculating Systems (6 pages)
- A 00 091 392A Automatic Plug-In Timer for E1_E3 Circulators (2 pages)
- IM 17A ecocirc D5 Vario, Strong and Solar (4 pages)
- IM 23A Electronic Cooling Pump Series DDC (4 pages)
- BMAID R4 (52 pages)
- IM116 R04 4 Submersible Pumps (68 pages)
- IM117 R01 5 and Larger Submersible Pump (48 pages)
- IM118 R03 Sump Pumps (40 pages)
- IM125 R02 RJA & RJDS Quick Set (48 pages)
- IM126R02 E-Z Prime Jet Pump Shallow Well Jet Pump (36 pages)
- IM132 R02 RSPA (FSPA) & RJSP Self-Priming Centrifugal Pumps (28 pages)
- IM136 R01 SM Centrifugal Pump (20 pages)
- IM137 R02 GPC Engine Drive Self-Priming Pump (16 pages)
- IM138 R01 HMC Close-Coupled Centrifugal Pump (16 pages)
- IM152R0 Vertical Sump Pump (OBSOLETE) (12 pages)
- IM162 R03 Dewatering Pumps Contractor Dewatering Pump (20 pages)
- IM163 R01 Wastewater Pumps Dewatering, Effluent and Sewage (36 pages)
- IM164 R01 Single Phase, Single Seal Grinder Pump (36 pages)
- IM186R03 Battery Backup Sump Pump (24 pages)
- IM188 R01 SPM_SPH Self-Priming Pumps (24 pages)
- 10 001 247 R2 TechnoForce Package System (34 pages)
- AC2008B Series HSC3 Base Mounted Centrifugal Pump (22 pages)
- AC8584C Series HSCS Base Mounted Centrifugal Pumps (31 pages)
- IM194 R02 GRINDER PUMPS 1 AND 3 11?4 DISCHARGE (36 pages)
- IM196 R01 Explosion Proof Wastewater Pumps Listed Class 1, Groups C and D Hazardous Locations (32 pages)
- IM228 R03 Model e-SV (esv) (64 pages)
- Goulds Water Technology Model e-SV, Vertical Multi-Stage Pumps Repair Stack (4 pages)
