Search
Directory
Brands
Procom manuals
Radiators
ML300TBA
Manual
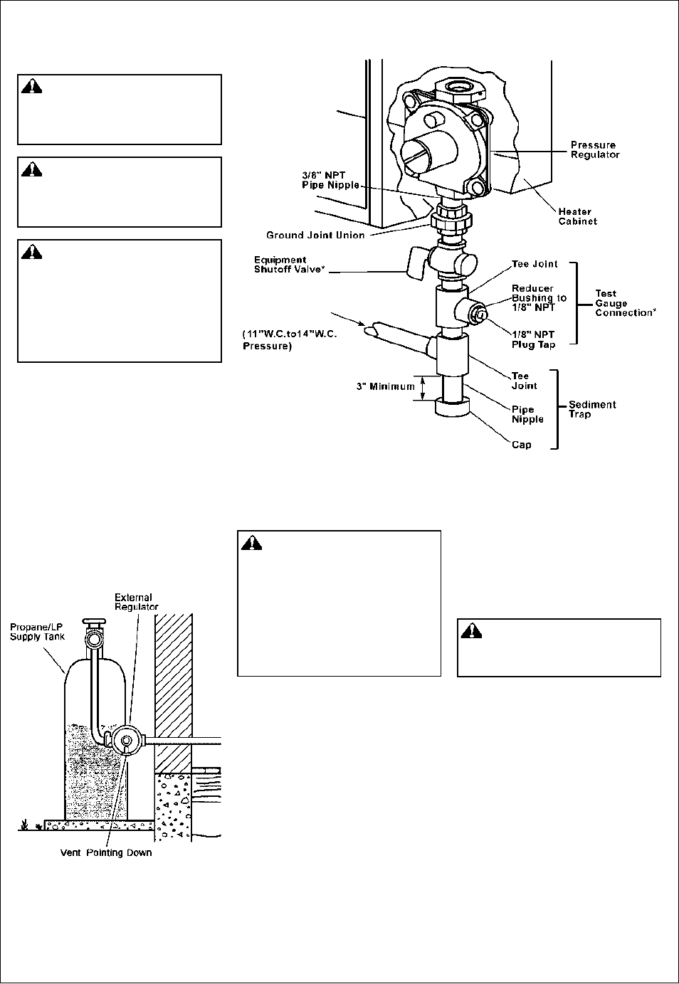
Installation – Procom ML300TBA User Manual
Page 9
Text mode
Original mode
Installation | Procom ML300TBA User Manual | Page 9 / 21
Pages:
1
…
7
8
9
10
11
…
21
wrong Brand
wrong Model
non readable
This manual is related to the following products:
ML200HBA
ML300HBA
ML200TBA
See also other documents in the category Procom Radiators:
ML100TPA
(23 pages)
MN100HBA
(23 pages)