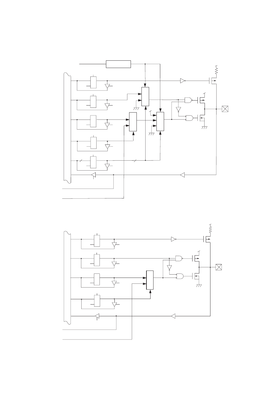
3-3 block diagram, Iv - 16 – Panasonic MN101C77C User Manual
Page 166
This manual is related to the following products:
See also other documents in the category Panasonic Mobile Phones:
- EB-GD96 (96 pages)
- EB-GD90 (60 pages)
- EB-G50 (104 pages)
- EB-GD30 (90 pages)
- EB-X500 (110 pages)
- EB-A100 (93 pages)
- EB-GD95 (86 pages)
- EB-GD52 (52 pages)
- EB-GD92 (60 pages)
- EB-GD75 (80 pages)
- EB-G51E (90 pages)
- EB-X700 (179 pages)
- EB-G450 (32 pages)
- EB-G60 (111 pages)
- EB-GD93 (68 pages)
- EB-G500 (40 pages)
- EB-GD67 (100 pages)
- EB-X70 (158 pages)
- EB-X200 (96 pages)
- EB-X400 (45 pages)
- EB-GD35 (70 pages)
- EB-A200 (101 pages)
- EB-X300 (125 pages)
- EB-X100 (109 pages)
- GD 87 (114 pages)
- G350 (68 pages)
- EB-GD76 (84 pages)
- G70 (109 pages)
- GSM EB-G51M (91 pages)
- MN101C00 (170 pages)
- P341i (144 pages)
- A500 (47 pages)
- Allure EB-TX310 (50 pages)
- EB-TX210 (112 pages)
- PanaXSeries MN103S65G (18 pages)
- X66 (129 pages)
- KX-TC18000B (8 pages)
- KX-TD7895 (48 pages)
- EB-G51U (108 pages)
- X60 (140 pages)
- KX-TCA155 (50 pages)
- A210 (114 pages)
- X701 (154 pages)
- M2616 (74 pages)
- 1200 (42 pages)
