Genicom MatrixPrinter LA36 User Manual
Page 107

5-20
Interface
Interface
Buzzer
RS-423 board
Driver/
receiver
Driver/
receiver
(Centronics)
MPU
Reset
Power stop
Multisensor
Control board (main board)
Thermal
+34V check
+34V
check
+5V
+34V
OPLSI
LSI1
D-RAM
(Data, etc.)
ROM
(CG)
ROM
(Programs)
Address
Data
Alarm
detector
Driver
Driver
Driver
Ribbon
shift
motor
(option)
Carriage
motor
Paper
feed
motor
Sensors
and switch
Sensor board
Printing mechanism
Print head
Driver
Color
Push buttons
and LEDs
Control panel
Power supply
HDLSI
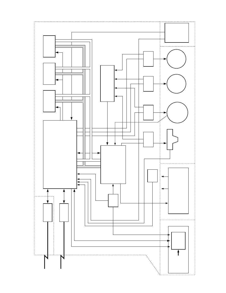
Figure 5.19 Controller block diagram