Search
Directory
Brands
Harman manuals
Radiators
PP38+
Manual
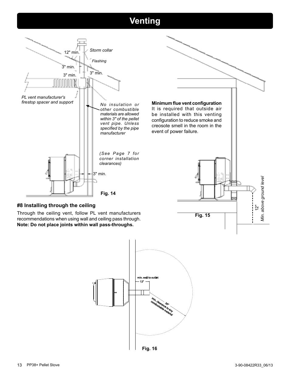
Venting, 8 installing through the ceiling – Harman PP38+ User Manual
Page 13
Text mode
Original mode
Venting, 8 installing through the ceiling | Harman PP38+ User Manual | Page 13 / 38
Pages:
1
…
11
12
13
14
15
…
38
wrong Brand
wrong Model
non readable