Search
Directory
Brands
Hampton Direct manuals
Sports and recreation
U32-LP2
Manual
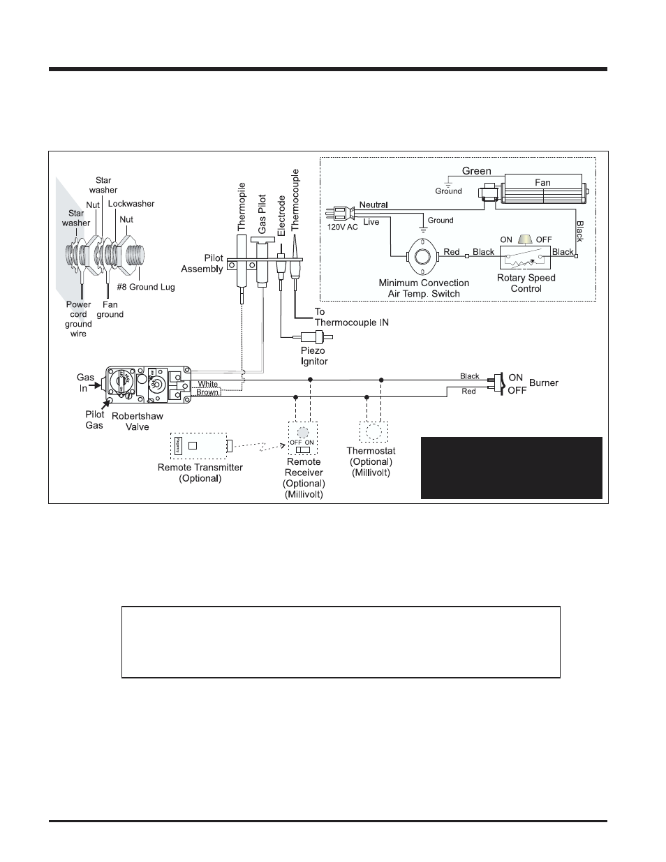
Installation, Wiring diagram – Hampton Direct U32-LP2 User Manual
Page 16
Text mode
Original mode
Installation, Wiring diagram | Hampton Direct U32-LP2 User Manual | Page 16 / 28
Pages:
1
…
14
15
16
17
18
…
28
wrong Brand
wrong Model
non readable
This manual is related to the following products:
U32-NG2
See also other documents in the category Hampton Direct Sports and recreation:
HI300
(32 pages)