Search
Directory
Brands
Emerson manuals
Health and hygiene
OXYMITTER 4000
Manual
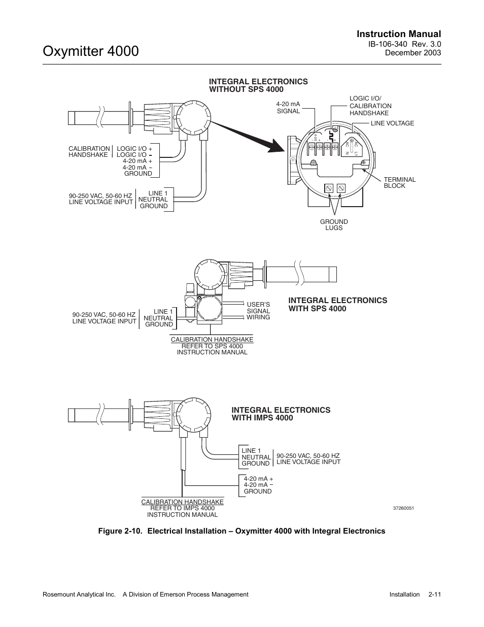
Inal (figure 2-10), Oxymitter 4000, Instruction manual – Emerson OXYMITTER 4000 User Manual
Page 65
Text mode
Original mode
Inal (figure 2-10), Oxymitter 4000, Instruction manual | Emerson OXYMITTER 4000 User Manual | Page 65 / 172
Pages:
1
…
63
64
65
66
67
…
172
wrong Brand
wrong Model
non readable
See also other documents in the category Emerson Health and hygiene:
ROSEMOUNT OCX 8800
(164 pages)
ROSEMOUNT 3000
(184 pages)
755A
(90 pages)
OXYBALANCE IM-106-4050
(64 pages)
ROSEMOUNT NGA2000 TO2
(48 pages)
3051S
(36 pages)
7003M
(74 pages)
WORLD CLASS 3000
(76 pages)