Epson FX-870/1170 User Manual
Page 56

Troubleshooting
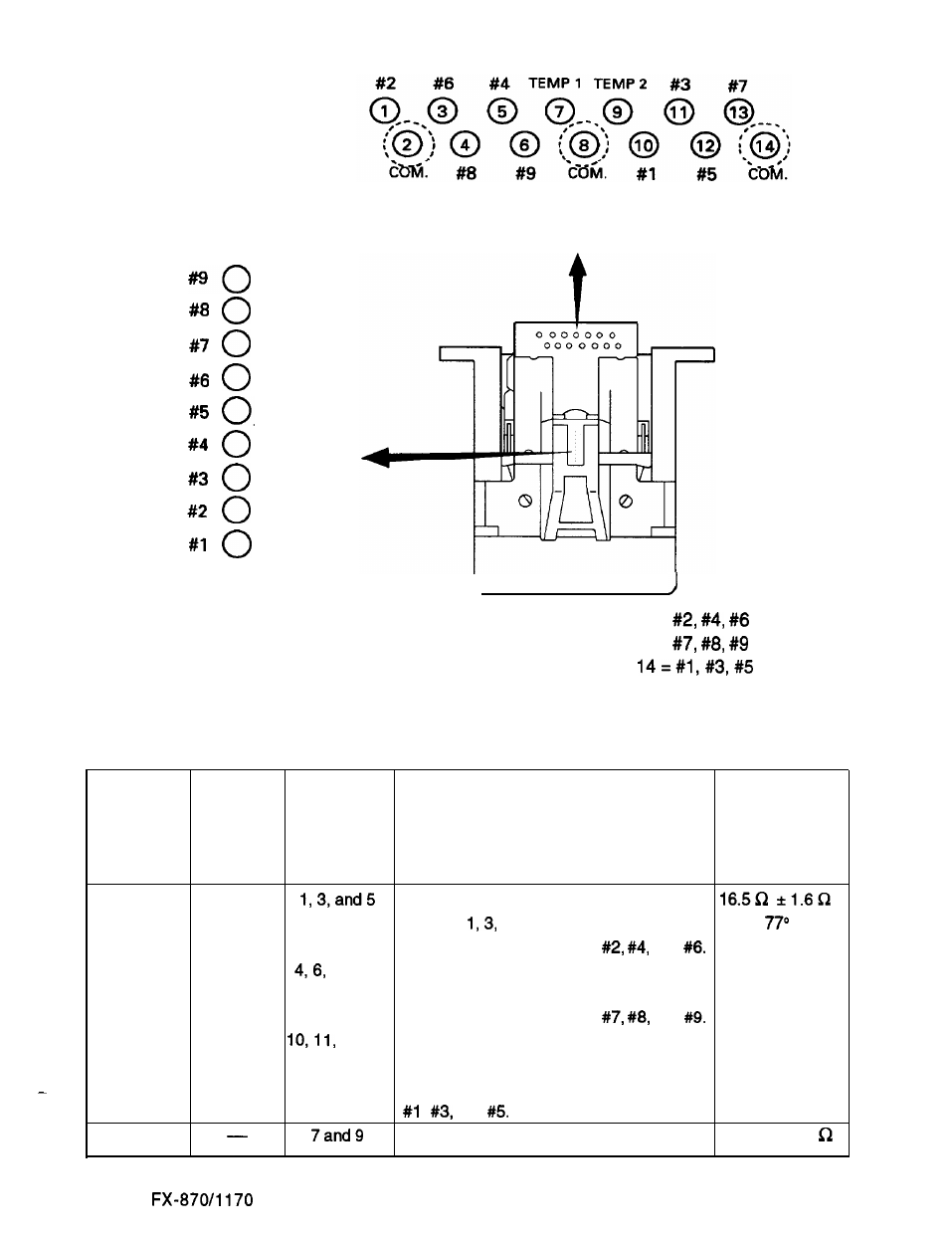
[ T E R M I N A L A S S I G N M E N T ]
Note:
The printhead is
upside down in
this illustration.
[WIRE ASSIGNMENT]
1
Note:
The commons correspond to the following
printhead dot wires:
COM. 2 =
COM. 8 =
COM.
Figure 3-1. Printhead Resistance
Table 3-4. Printhead Test Points and Coil Resistance
Test Method
Common
Connector
(Set Meter to Ohms. Disconnect
Connector
Pin
Test Pin
Printhead and Check it with
Number
Numbers
Numbers
Printer Power Off.)
Meter Reading
Printhead
2
Place one lead on pin 2 and the other on
test pins
and 5 to check the
(at
F,
resistance of printhead dots
and
25” C)
8
and 13
Place one lead on pin 8 and the other on
test
pins
4, 6, and 13 to check the
14
Thermistor
resistance of printhead dots
and
and 12 Place one lead on pin 14 and the other lead
on each of the test pins 10, 11, and 12 to
check the resistance of printhead dots
,
and
Place one lead on each pin.
Approx. 9.3 K
E p s o n
3-3
- Stylus Pro 7800 (11 pages)
- Stylus Pro 4000 (49 pages)
- Stylus Photo R300 (2 pages)
- Stylus Pro 7000 (147 pages)
- AcuLaser C3000 (316 pages)
- Stylus Pro 7900 (24 pages)
- Stylus Pro 4450 (21 pages)
- 1000 (272 pages)
- T034120 (4 pages)
- T580300 (4 pages)
- 300 (91 pages)
- B 510DN (190 pages)
- B 510DN (218 pages)
- Stylus NX510 (8 pages)
- Stylus Photo RX580 (95 pages)
- T549300 (4 pages)
- B 500DN (168 pages)
- AculaserCX11NF (5 pages)
- 480SXU (24 pages)
- 4500 (317 pages)
- STYLUS RX500 (99 pages)
- 2100 (13 pages)
- Stylus NX215 (2 pages)
- T098320 (4 pages)
- T041020 (4 pages)
- R210 (8 pages)
- All-In-One Stylus Photo RX600 (164 pages)
- 777I (53 pages)
- T033120 (4 pages)
- Stylus CX7000F (8 pages)
- 60 (113 pages)
- T034220 (4 pages)
- WorkForce 40 Series (36 pages)
- T054220 (4 pages)
- Stylus CX3200 (11 pages)
- Stylus CX7800 (18 pages)
- T060220 (4 pages)
- 2500 (180 pages)
- AcuLaser CX11N (32 pages)
- AcuLaser CX11N (4 pages)
- 2000P (16 pages)
- T606600 (4 pages)
- Stylus CX6000 (18 pages)
- FS-4000DN (2 pages)
- MSDS T544700 (4 pages)
