Directory
Brands
Emerson manuals
Hardware
MONITORING OpenComms
Manual

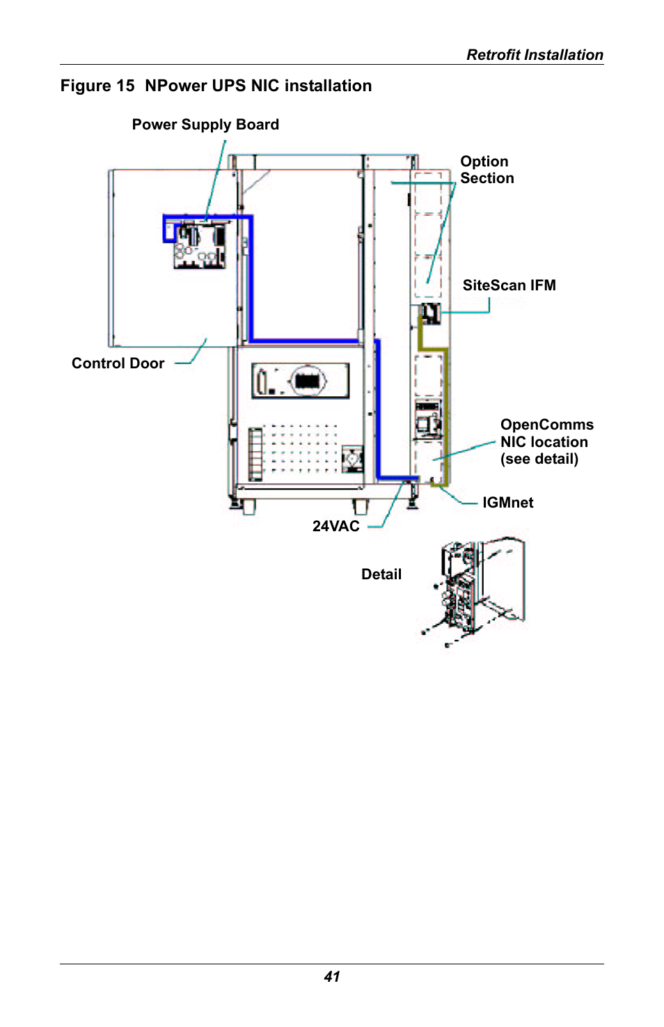
Figure 15 npower ups nic installation, Figure 15, Npower ups nic installation – Emerson MONITORING OpenComms User Manual

Page 47

  • Text mode
  • Original mode
Figure 15 npower ups nic installation, Figure 15, Npower ups nic installation | Emerson MONITORING OpenComms User Manual | Page 47 / 56 Figure 15 npower ups nic installation, Figure 15, Npower ups nic installation | Emerson MONITORING OpenComms User Manual | Page 47 / 56
Pages: 1 … 45 46 47 48 49 … 56
  • wrong Brand
  • wrong Model
  • non readable
See also other documents in the category Emerson Hardware:
  • I/O MODULE IPMC7616E (54 pages)
  • 00825-0100-4075 (28 pages)
  • Liebert XD CoolFrame (4 pages)
  • SiteLink-4E (24 pages)
  • SiteGate-E ARC156 (8 pages)
  • Liebert IntelliSlot WEB/485 (2 pages)
  • P/N 400361-00 (152 pages)
  • SiteLink-12 (5 pages)
  • Network Power (4 pages)
  • Liebert Intellislot RFC2131 (2 pages)
  • Liebert XDP-W (2 pages)
  • Liebert Xtreme Density (84 pages)
  • Liebert IntelliSlot IS-WEB485ADPT (60 pages)
  • SiteI/O 10/0 (6 pages)
  • Network Router (96 pages)
  • Liebert Challenger ITR (74 pages)
  • Liebert OpenComms SL-19534 (8 pages)
  • ROC827 (140 pages)
  • Nform And Interface Products (16 pages)
  • SiteLink-4 (5 pages)
  • SL-31091 (1 page)
  • Liebert FPC (40 pages)
  • SiteLink-2E (4 pages)
  • SITETPI-E V3 (4 pages)
  • PrPMC800 (4 pages)
  • 400518-01 (88 pages)
  • SiteI/O 32/0 (5 pages)
  • Liebert CW (28 pages)
  • FM-3 (292 pages)
  • OpenComms-485 (39 pages)
Home Brands Popular manuals Recently added
Manuals Directory

© 2012–2025, azmanual.top
All rights reserved.