Search
Directory
Brands
Pilz manuals
Software
PMCtendo DD5.03/000/0/0/0/110-230VAC
Manual
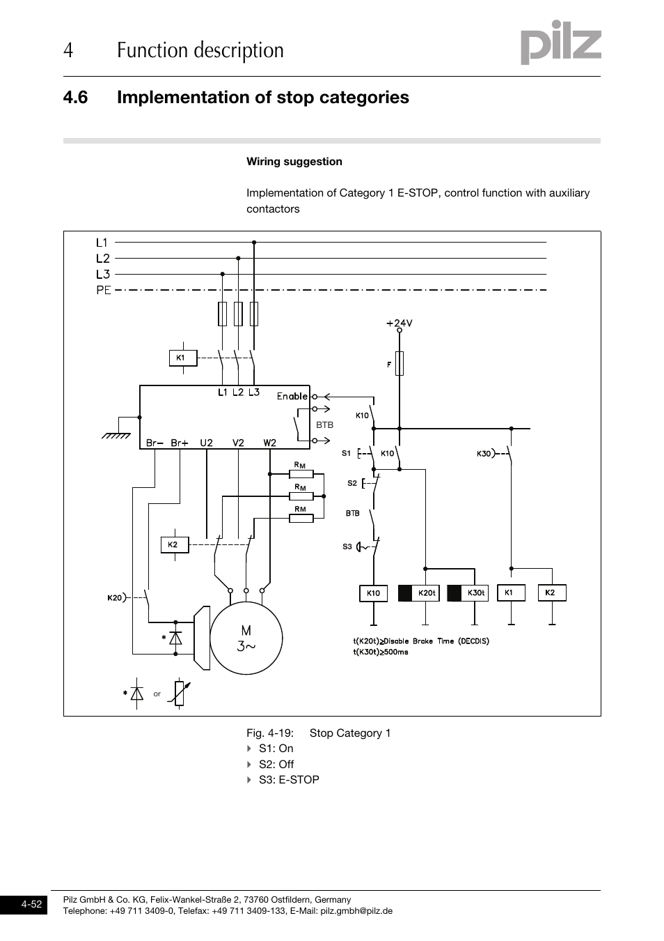
4function description, 6 implementation of stop categories – Pilz PMCtendo DD5.03/000/0/0/0/110-230VAC User Manual
Page 80
Text mode
Original mode
4function description, 6 implementation of stop categories | Pilz PMCtendo DD5.03/000/0/0/0/110-230VAC User Manual | Page 80 / 209
Pages:
1
…
78
79
80
81
82
…
209
wrong Brand
wrong Model
non readable
This manual is related to the following products:
PMCtendo DD5.06/112/115-230VAC
PMCtendo DD5.10/000/0/0/0/110-230VAC
PMCtendo DD5.01/000/0/0/0/208-480VAC
PMCtendo DD5.03/000/0/0/0/208-480VAC
PMCtendo DD5.06/000/0/0/0/208-480VAC
See also other documents in the category Pilz Software:
PMCmotion control tools
(56 pages)
PMCprotego D.24/010/0/0/2/208-480VAC
(16 pages)
PMCprotego D.24/010/0/P/2/208-480VAC
(48 pages)
PMCprotego D.24/010/0/P/2/208-480VAC
(56 pages)
PMCprotego D.24/010/0/P/2/208-480VAC
(57 pages)
PMCprotego D.CAN-Adapter 48-72A
(2 pages)
PMCprotego D.24/010/0/P/2/208-480VAC
(220 pages)
PMCprimo C.0/A/B/4
(73 pages)
PMCprotego S2
(101 pages)
PMCprimo DriveP.CAN-PROFI-Adapter 48-72
(4 pages)
PMCprotego S1-2-C
(93 pages)
PMCprotego S2-2-C
(76 pages)
PMCprotego D.48/000/0/0/2/208-480VAC
(209 pages)
Brake resistor 1600W/23R/T/U
(4 pages)
PMCtendo AC3.34/0/L/2/6/5/H/6
(88 pages)
PMCtendo SZ.51/0/2/2/7/K/H/60/00
(84 pages)
PSS Upload-/Downloadtool f. PMIvisu/open
(2 pages)
PSS SB HYD, Update license
(308 pages)
PSS SB HYD, Update license
(112 pages)
PSS SB FT, Copy license
(191 pages)
ST SB DP S, SW paket PROFIBUS-DP
(43 pages)